Требования к установке электрокотла в автогараже
Схему обогрева в гараже, необходимо осуществлять в строжайшем соблюдении с действующими нормами, которые прописаны в СНИП, ПУЭ. При подключении, опираются на технологические характеристики приобретенного электрокотла.
Монтаж устройства с теплопроизводительностью от 5 до 8 кВт в гараже, относится к категории установки обычного домашнего бойлера и не требует выполнения дополнительных условий (при учете, что сеть отвечает указанной мощности устройства).
Подключение выполняют, используя УЗО, помимо вариантов установки электродных обогревательных аппаратов. В системе необходимо предусмотреть установку контура заземления от различных ударов электричеством.
Электрические котлы
Электрокотел для отопления гаража целесообразно приобретать при отсутствии магистрального газа. Невзирая на удобство пользования таким оборудованием, для скромного подсобного помещения его установка может выйти неоправданно дорогой, учитывая стоимость электроэнергии. Для регионов с мягким климатом чаще выбирают электрические конвекторы или тепловентиляторы, дополнительно оснащая их термостатом.
Достоинства электрокотлов:
- Бесшумность;
- Автономность оборудования: после кратковременного отключения электроэнергии система самостоятельно включается в работу;
- Безопасность: в случае перегрева теплоносителя срабатывает предохранитель;
- Полное отсутствие продуктов сгорания, что позволяет не беспокоиться о дымоходе;
- Компактные размеры оборудования облегчают планировку.
Недостатки:
- Высокая стоимость энергоресурсов;
- Зависимость работы системы от режима подачи электроэнергии;
- Необходимость монтажа дополнительной проводки, а при большой мощности котла – трехфазной сети.
Как сделать дёшево и быстро отопление гаража своими руками
Дадим несколько вариантов обогревателей для гаража, которые можно сделать своими руками:
Самый простой из них – буржуйка, которую топят обычно дровами. Это может быть печь любой конфигурации, изготовленная из любой готовой ёмкости. К примеру, из 200-литровой бочки, которую разрезают пополам поперёк. Из половинки и делается печь. Хотя можно бочку расположить горизонтально, не разрезая её. Главное – сделать патрубок для дымохода, топку, куда вставляется перегородка из решётки, сваренной из арматуры, и дверцу для закрытия топочной камеры. Как показывает практика, за три−четыре часа изготовить такой нагревательный прибор не проблема.
Дровяная печка из двухсотлитровой бочки
Неплохой вариант, связанный с электричеством. Но это водяная система отопления. Для этого надо сварить из нескольких труб отопительный регистр. Чем больше труб в конструкции, чем больше их диаметр, тем выше теплоотдача прибора. В нижнюю трубу с торца вваривается обычный бытовой кипятильник мощностью 1-1,5 кВт. А в верхнюю трубу с торца приваривается вертикально установленный небольшой расширительный бачок открытого типа. Через него в систему будет заливаться вода или тосол. Последний лучше. Регистр заполняется теплоносителем, кипятильник включается в розетку. Буквально через полчаса нагревательный прибор будет уже горячим и начнёт отапливать гараж.
Водяное отопление в виде регистра с кипятильником в качестве нагревательного элемента
Ещё один вариант с элементами воздушного отопления. Для этого придётся использовать буржуйку с водяным контуром. Только вместо полноценной отопительной системы используется обычный радиатор от автомобиля вместе с вентилятором. Радиатор подвешивается на стену так, чтобы за ним поместился вентилятор. Последний подключается к питающей сети через понижающий трансформатор. Радиатор соединяется со змеевиком шлангами или пластиковыми трубами. Соединение должно производиться так: верхние патрубки змеевика и радиатора соединяются одним шлангом – это контур подачи теплоносителя, нижние между собой образуют контур обратки. Эффективность этого способа отопления гаража заключается в том, что для сборки необходим котёл небольших размеров, который быстро может нагревать теплоноситель. Вентилятор эффективно отбирает тепло, понижая температуру воды по максимуму. То есть, кольцевая система работает по всем теплотехническим законам. Кстати, можно буржуйку заменить кипятильником.
Автомобильный радиатор в качестве источника тепловой энергии
Рекомендуем посмотреть видео, где показан один из вариантов отопления в гараже, сделанного своими руками.
Watch this video on YouTube
Монтаж твердотопливного котла с воздушным нагревом
Монтаж твердотопливного котла с воздушным нагревом (без подключения жидкостного контура) выполняется следующим образом:
- Подготовка места, где он будет установлен. Стены и пол рядом (на расстоянии не менее 50 см включительно) отделываются негорючим материалом. Идеальный вариант – монтаж короба из огнеупорного кирпича.
Монтаж дымохода. Отверстие под трубу лучше «вырезать» с помощью производительного перфоратора и алмазной коронки по камню.
Установка котла. Рекомендуемая производительность – порядка 10 кВт. Если устанавливается именно пиролизный котел, то дополнительно следует утеплить дымоход (в противном случае в нем регулярно будет накапливаться сажа).
Фиксация котла (с помощью дюбелей по пластинам на днище). Обязательный пункт, который многие игнорируют. Фиксация позволяет избежать перекосов, разгерметизации с дымоходом.
- Тестовый прогрев (одна загрузка топливом). При этом проверяется герметичность соединения с дымоходов, отсутствие обратной тяги.
Выполнять все работы следует в теплое время года. Зимой не получится выполнить отделку стен или стяжку на полу (при температуре ниже +10 градусов строительные материалы такого типа теряют свойства).
Твердотопливный котел можно разместить и снаружи гаража в пристройке, по многим критериям так получается удобней. Но в сам гараж при этом необходимо запускать нагревательный контур или хотя бы радиатор, нагревающийся от котла. КПД такой системы намного ниже, часть тепла будет рассеиваться в окружающую среду, а не поступать вовнутрь помещения.
Цены на газовый конвектор
газовый конвектор
Если котел расположен снаружи, то в гараж обязательно вводится обогревочный контур с теплоносителем или радиатор
Итого, вариантов экономных систем отопления гаража достаточно много, но самым выгодным вариантом является установка твердотопливного котла с воздушным обогревом (в народе их нередко именуют как «буржуйки»), работающего на угле, мазуте, дровах или древесных брикетах. Однократный обогрев гаража площадью в 25 квадратных метров в этом случае обойдется всего в 40 – 60 рублей.
Две системы отопления
Существуют две принципиально разные отопительные системы, которые можно использовать для обогрева гаража:
- воздушная;
- водяная.
Воздушный обогрев осуществляется при помощи электрических тепловентиляторов, конвекторов, масляных радиаторов. Это самый простой способ обогрева. Чтобы нагреть воздух в гараже потребуется отопительный прибор и подсоединение к электросети. Однако после отключения прибора температура в гараже быстро снижается. Такой вид обогрева годится, если автовладелец бывает в гараже эпизодически и проводит там мало времени.
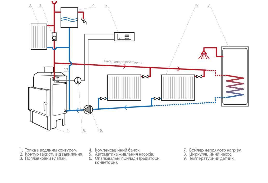
Принципиальная схема водяного отопления
Более солидной является водяная система. Однако при ее устройстве придется потратить больше денег и труда. Она включает в себя три основных звена:
- трубы, по которым циркулирует теплоноситель;
- излучатель тепла в пространство (батарея);
- нагреватель теплоносителя.
Для подогрева теплоносителя используются нагревательные котлы. Они могут быть разных типов:
- газовые;
- электрические;
- твердотопливные;
- жидкотопливные.
Газовые котлы для отопления гаража
Газ может стать самым экономичным топливом для вас, если вблизи вашего дома проходит магистральная труба. В противном случае придется пользоваться газовыми баллонами, что далеко не так выгодно и удобно. При установке котла не обязательно тратится на систему водяного отопления стен или пола. Сегодня в продаже встречается оборудование со встроенным вентилятором, который распространяет нагретый в теплообменнике воздух по всему помещению. Газовые котлы воздушного отопления недороги и просты в установке.
Преимущества газовых котлов:
- Значительная экономия на покупке энергоресурсов;
- Широкая доступность газового топлива;
- Автономность работы котлов;
- Высокая энергоэффективность;
- Долговечность оборудования;
- Газовые котлы могут работать как на баллонах со сжиженным газом, так и питаться от магистрального газопровода.

Газовые котлы для отопления гаража- схема работы
Недостатки:
- На установку газового котла необходимо получить разрешение органов надзора;
- Оборудование нужно выносить в отдельное помещение, чтобы исключить случаи возгорания;
- Вам также следует позаботиться о качественной системе вентиляции, а это дополнительные расходы.
Особенности водяного отопления в гараже
Сложность теплого ангара заключается в непостоянной работе. При длительном отключении обогрева может произойти разрыв цепи по причине замерзания воды в трубах.
Основная особенность водяного отопления в помещении заключается в прогревании его до температуры + 5-8 0 С. Это обеспечит необходимый прогрев машине и предотвратит развитие коррозии металла.
- котел;
- радиаторы;
- магистраль подачи горячей воды и отвода остывшей.
Задача котла – нагревать воду, которая движется по трубам к отопительным батареям. Остывшая жидкость по обратному ходу возвращается в котел и схема зацикливается.
Как снизить теплопотери и не разориться?
Ни одна отопительная система не будет выгодной и эффективной, если не позаботиться о снижении теплопотерь. Обогреватели будут впустую расходовать огромное количество энергоресурсов. Это дорого и непрактично, поэтому придется утеплить ворота, стены, пол и кровлю.
Можно использовать керамзит, полистиролбетон, фольгированные утеплители, но самый дешевый и универсальный вариант – пенопласт. Он подходит для утепления всех элементов конструкции.
Его также можно использовать и для теплоизоляции пола при условии, что будет сделана плавающая стяжка: пенопласт плохо переносит механические воздействия, поэтому его заливают цементом.
Пенопластом обшивают потолок, стены и ворота гаража. Возможны два варианта – внешняя или наружная отделка стен. Оба одинаково эффективны и позволяют добиться отличной теплоизоляции постройки. Выбирать следует, исходя из соображений удобства самого владельца гаража.
Инструкция по сборке суперэкономичной водяной системы отопления:
Мини-обзор экономичной газовой печки, расходующей 0.5 л газа в час:
Советы по самостоятельной сборке масляного обогревателя из б/у чугунного радиатора:
Рекомендации по снижению теплопотерь в гараже:
Вопрос отопления гаража решить несложно. Достаточно разобраться с основными преимуществами каждой отопительной системы и с возможными ограничениями в ее использовании. Выбирать следует, ориентируясь на собственные потребности.
Главное, не забывать о правилах пожарной безопасности. Никакая экономия не стоит того, чтобы подвергать риску автомобиль и собственное здоровье.
Открытая и закрытая система отопления
Ошибка №13
На открытую систему отопления нельзя ставить современные газовые котлы.
Действительно, все последние модели в основном рассчитаны для закрытых систем. В них поддерживается стабильное давление и при его снижении срабатывает датчик, который отключает нагревательный прибор.
Падение давления, как правило, свидетельствует об утечке. При установке современного газового котла на открытую систему вам всего на всего нужно донести до датчика информацию, что давление в системе изначально низкое, и это ни коим образом не говорит о проблемах в отоплении.
Это делается элементарным замыканием проводов датчика между собой.
После этого, если вы в дальнейшем не будете осушать систему и сливать воду, котел будет работать без проблем.
Ошибка №14
Единственный нюанс – не все производители считают подобный лайфхак гарантийным случаем!
Поэтому заранее уточняйте данный момент у продавца.
Отопление гаража: самый экономный способ, что выбрать
Если хозяйственная постройка располагается рядом с основным строением, то часто используется обогрев на газе. При этом система отопления может подключаться к уже существующей в доме.
Чтобы сделать отопление гаража своими руками экономно, вы можете применить вариант с обогревом при помощи разных вариантов твердотопливного сырья. В качестве которого можно использовать дрова, торф, уголь и дизельные продукты
При этом можно сэкономить на ресурсах, но важно продумать хранение сырья
Простая буржуйка способна достойно обогреть небольшое помещение
К сведению! Простым решением является газовый конвектор. В таком оборудование циркуляция тепла происходит за счет конвекции. Прибор подсоединяется к баллону, но его потребуется наполнять раз в несколько дней.
Отопление гаража газом
Очень практичным и весьма экономичным будет использование для отопления гаражного помещения газа. Совместно с ними работают специальные тепловые генераторы. При этом можно использовать метан, бутан или пропан, классический природный газ.
Чтобы самостоятельно собрать газовое отопление гаража своими руками, следует учесть несколько значимых особенностей проведения работ:
- Установку газового баллона необходимо производить в специальном надежно утепленном шкафу
- Даже если помещение небольшое, придется постараться и отвести для установки требуемого оборудования защищенный уголок
- Если отапливаться гараж будет нечасто, следует рассмотреть другие варианты
Одно из преимуществ газового отопления – доступность оборудования на рынке и стоимости теплоносителя, который является одним из самых дешевых видов топлива.
Немного о пожарной безопасности
Обустраивая отопление гаража собственными руками, обязательно придется учесть очень важное требование – соблюдать все правила безопасности. Любое оборудование является пожароопасным и может послужить причиной серьезных последствий. Самое важное требование – надежная защита всех близлежащих поверхностей
Особенно это важно при прохождении через стену или крышу дымоходной трубы
Самое важное требование – надежная защита всех близлежащих поверхностей. Особенно это важно при прохождении через стену или крышу дымоходной трубы. Чтобы устранить ее соприкосновение со строительными конструкциями, рекомендуется сделать специальную гильзу на основе минеральной ваты
Деревянные или гипсокартонные участки придется оградить металлическим щитом. Все зазоры компенсируются асбестовым шнуром
Чтобы устранить ее соприкосновение со строительными конструкциями, рекомендуется сделать специальную гильзу на основе минеральной ваты. Деревянные или гипсокартонные участки придется оградить металлическим щитом. Все зазоры компенсируются асбестовым шнуром.
Следует учесть прочие советы:
- Если используются котлы отопления, закрывать заслонку для регулирования тяги необходимо лишь в тех случаях, когда топливо полностью выгорит и дотлеет
- Нельзя держать в гараже легковоспламеняющиеся вещества, особенно если они располагаются неподалеку от отопительного оборудования
- Обязательно следует разместить в помещении огнетушитель или прочие средства тушения пожаров
- Если отопительная система работает постоянно или гараж располагается в непосредственной близости от дома – рекомендуется оборудовать противопожарную сигнализацию
- Не стоит просушивать на отопительных приборах любые вещи, особенно различные ветоши, которые могли контактировать с горючими жидкостями
- Хранение газовых баллонов разрешается исключительно выше уровня половой поверхности
- На ночь оставлять включенным отопление не рекомендуется
Подключение электрических нагревателей
Наиболее аккуратно и грамотно необходимо продумать отопление электрическими обогревателями. Если их мощность слишком велика, проводка и счетчик не способны справиться с нагрузкой – придется остановить собственный выбор на более слабом оборудовании. Можно проложить новую проводку, однако подобное переоборудование гаража будет слишком дорогостоящим.
Рассмотрим некоторые особенности подключения электрических обогревателей в гаражном помещении:
- Минимальное рекомендуемое сечение провода – 2.0 мм, при этом предпочтение рекомендуется отдавать меди
- Использовать переносной кабель для подключения электрических обогревателей нежелательно. Если в этом есть необходимость, его длина не должна превысить 5 м
- Однофазная электропроводка способна выдержать подключение электронагревателя мощностью до 2.5 кВт. Параллельное подключение 2-х и более устройств станет причиной понижения напряжения до 170 В, что может оказаться весьма опасным
Подводим итоги
Обустройство отопительной системы для гаражного помещения среднего размера, предназначенного для одного автомобиля, начинается со скромных 5-6 тысяч рублей и может достигать пары десятков. Каждый его владелец должен оценить рассмотренные варианты исходя из потребностей и пожеланий.
Чтоб сократить затраты на эксплуатацию оборудования, следует часть денежных средств потратить на утепление стен и потолком в помещении. Проведение работ следует осуществлять снаружи, иначе теплоизоляционный материал может стать причиной пожара.
Необходимо позаботиться об отсутствии дыр и щелей, через которые будет утекать драгоценное тепло. Утепление крыши лучше всего сделать при помощи керамзита, при этом позаботившись о надежной гидроизоляции. Для стен используют пенопласт толщиной до 10 мм или минеральные негорючие ваты.
Достоинства и недостатки электрических котлов
Использовать электрический котел для отопления в гараже выгодно по целому ряду причин, в числе которых:нет открытого пламени, что избавляет от необходимости монтировать дымоход и оформлять соответствующую документацию;
- наличие возможности настраивать режим работы прибора на неделю вперед;
- более низкая, в сравнении с другими типами котлов, начальная стоимость;
- бесшумная работа;
- отсутствие вредного воздействия на здоровье человека и окружающую среду.
У электрических котлов есть и недостатки, в том числе:
- операционные расходы несколько выше, чем у котлов иных типов;
- при сбоях в электроснабжении есть риск размерзания отопительной системы, разрыва труб и даже выход агрегата из строя.
Подводя итог, можно сделать вывод о том, что отопление гаража с помощью электрического котла достаточно выгодно с практической точки зрения. Конечно, есть у такого варианта и недостатки, но в большинстве случаев они менее значительны, чем достоинства. Если электрокотел для отопления гаража выбран правильно и установлен с учетом всех требований безопасности, он будет работать долго и качественно.
Как снизить теплопотери и не разориться?
Ни одна отопительная система не будет выгодной и эффективной, если не позаботиться о снижении теплопотерь. Обогреватели будут впустую расходовать огромное количество энергоресурсов. Это дорого и непрактично, поэтому придется утеплить ворота, стены, пол и кровлю.
Можно использовать керамзит, полистиролбетон, фольгированные утеплители, но самый дешевый и универсальный вариант – пенопласт. Он подходит для утепления всех элементов конструкции. Его также можно использовать и для теплоизоляции пола при условии, что будет сделана плавающая стяжка: пенопласт плохо переносит механические воздействия, поэтому его заливают цементом.
Для обшивки гаражных ворот идеально подходит пенопласт. Утеплитель крепят на специальную обрешетку, а сверху закрывают наружной облицовкой – плитами МДФ, ДСП или фанерой
Пенопластом обшивают потолок, стены и ворота гаража. Возможны два варианта – внешняя или наружная отделка стен. Оба одинаково эффективны и позволяют добиться отличной теплоизоляции постройки. Выбирать следует, исходя из соображений удобства самого владельца гаража.
Это интересно: Электрические печи для сауны и бани
Отопление гаража электричеством: преимущества и недостатки метода
Обогрев гаражной постройки путем использования электроэнергии является наиболее комфортным способом с точки зрения простоты монтажа и первоначальных финансовых затрат. Основной минус такого метода – увеличение расходов на электроэнергию. Рассмотрим преимущества и недостатки данного метода более подробно.
Организация отопительной коммуникации, которая функционирует на электроэнергии, позволяет исключить необходимость в применении твердого и жидкого топлива. Это значительно увеличивает эксплуатационное удобство системы, так как отсутствуют неприятные запахи и загрязнения, требующие уборок.
Электрическое отопление гаража можно организовать с помощью различных приборов. Современный рынок имеет широкий выбор инфракрасных, масляных и прочих устройств, которые работают от сети.
Если прибор обладает достаточной мощностью, то он способен подогреть воздух внутри гаража до комфортного уровня всего за 30 мин. Это является серьезным преимуществом, так как подобная скорость нагрева воздуха позволяет оперативно эксплуатировать гараж в случае надобности. Котлы для отопления гаража лидируют по своей эффективности.

Электрическое отопление гаража можно организовать с помощью различных приборов
Не рекомендуется использовать для обогрева гаражного помещения портативные тепловые вентиляторы. Такие приборы, как правило, отличаются низкой эффективностью. А также при использовании подобного устройства увеличивается риск возникновения возгорания.
Помимо затрат на оплату счетов, имеются и другие недостатки данного метода обогрева гаража. При выполнении электрического отопления своими руками стоит помнить, что такой способ имеет ограничения по мощности. Из-за этого не всегда удается установить прибор, который будет максимально эффективным при определенных условиях.
Таким образом, электрическое отопление в гараже рекомендуется устанавливать в том случае, когда нет необходимости проводить в помещении большое количество времени. Для кратковременного пребывания такой вариант является наиболее подходящим.
Статья по теме:
Стоит сказать о том, что перед установкой комбинированной системы нужно взять во внимание лимит мощности в конкретном случае. В некоторых ситуациях данный показатель не позволяет провести совмещенную коммуникацию
Отопление гаража электричеством: самый экономный способ
На сегодняшний день существует множество вариантов обогрева гаража. Самые простые из них не требуют сложных расчетов, составления схем и трудоемкой работы по установке оборудования. Наиболее экономичный способ, позволяющий обогреть гаражное помещение, не требует от хозяина никаких специальных знаний и навыков. Все, что для этого нужно, – выбрать подходящий электроприбор для нагрева воздуха.

Самым экономным вариантом для отопления гаража является приобретение инфракрасного устройства
Установка электрокотла для отопления гаража сопровождается многими трудностями. В свою очередь, если хозяин гаража проводит в нем не более 1-2 часов в день, то тогда можно остановиться на обычном конвекторном обогревателе.
Наиболее экономичный вариант предполагает приобретение инфракрасного устройства. Плата за электроэнергию в этом случае минимальна. Однако такие устройства имеют довольно высокую стоимость. Целесообразность приобретения обогревателя инфракрасного типа определяется для каждого случая отдельно.
Традиционный способ отопления гаражного помещения, которым пользуются многие люди, предусматривает покупку конвекторного электроприбора. Расходы на электроэнергию в этом случае выше, однако они не являются критичными. Стоимость конвекторных приборов приблизительно в 2 раза ниже по сравнению с ценой инфракрасных обогревателей.
При выборе дешевого отопления гаража необходимо знать, что существует множество инструкций, описывающих различные самодельные устройства, эффективность которых крайне редко оправдывает ожидания. К тому же изготовление самодельных приборов увеличивает риск возникновения спонтанного воспламенения внутри постройки.

Традиционным способом отопления гаражного помещения является конвекторный обогреватель
Известен еще один тип устройств, которые называют тепловыми пушками. Они отличаются тем, что имеют наивысшую эффективность среди всех отопительных электроприборов данного вида. Минусом таких приспособлений является то, что во время работы они потребляют слишком большое количество электричества, что неизбежно отражается на счетах за электроэнергию.
Система отопления с водяным теплоносителем

Принцип работы любого водяного контура основан на передаче тепловой энергии от котла или печи к радиаторам отопления. Жидкость перемещается при помощи насоса или конвекционным способом.
Она состоит из таких элементов:
теплообменник для нагрева воды;
магистральные трубы;
циркуляционные насосы;
металлические батареи или регистры;
расширительный бак;
клапан давления, краны слива и фильтр.
В качестве теплоносителя используют умягченную воду или антифризы на основе этиленгликоля.
Как сделать быстро и дешево?
Сделать своими руками водяную систему отопления для гаража несложно. Для этого потребуется рассчитать требуемую мощность батарей для гаража и теплоотдачу нагревательного элемента. Для водогрейной установки используют:
электрические ТЭНы;
электрокотел или твердотопливный котел;
буржуйку с теплообменником в топке;
печь на отработанном масле;
экономайзер на дымоходе печи.

Фото 1. Печь на отработанном масле хорошо подходит для водяной системы отопления гаража.










Простейший электрический котел для гаража легко, дешево и быстро изготовить из трубы диаметром 100–150 мм, поставленной вертикально. Внутрь устанавливают ТЭН и два патрубка для воды.
Выбрав место для котла или печи в гараже, приступают к прокладке труб к радиаторам. Трубы лучше взять из полипропилена (металлопластика) — они не ржавеют, просты в установке и соединении. Батареи отопления в гараже размещают на стенах, оставив небольшой зазор для циркуляции воздуха. В самой верхней точке врезают клапан для стравливания воздуха.
Одноконтурная система будет работать без дополнительного насоса, за счет тепловой конвекции. Более сложная схема потребует циркуляционного насоса. Расширительный бачок не даст попасть воздуху в систему при падении уровня жидкости по причине естественного испарения.
Внимание! В гараже не рекомендуется применять открытые системы с антифризом из-за вредных испарений этиленгликоля
Плюсы водяного обогрева гаража:
комфортная постоянная температура;
долго сохраняет тепло после выключения;
отсутствие золы, пыли и грязи;
удобство использования и возможность автоматического включения;
применение антифриза делает систему круглогодичной.
Минусы:
вода замерзает зимой и разрушает трубы и радиаторы;
вероятность протечки;
сложность установки и герметизации контура;
Видео: разные варианты отопления от опытных гаражников
Стоит посмотреть дополнительно материалы на видео, чтобы оценить преимущества и недостатки разных методов, представить себе все наглядно.
В этом ролике рассматривается вариант организации отопительной системы в гараже собственными силами, с минимальными вложениями.
Про работу печки «камелек» рассказывает следующий ролик.
Особый интерес представляет печь, которая функционирует на отработанном масле. Ее вполне можно сделать собственными руками, а работает она на уже отработанном масле. Тут, конечно, есть свои нюансы. Но в целом такой метод вполне рационален и безопасен, если удастся наладить своевременную очистку отработки в специальной установке. Про обустройство и изготовление котла для отопления на отработке рассказывается в следующем сюжете на видео.
Котел в гараже станет отличным решением для организации отопительной системы. Это позволит создавать в любое время года в гараже комфортные условия, работать там с высоким КПД, проводить осмотр и ремонт автомобиля.
Организовываем котельную в гараже
Далее предлагаем узнать, как осуществляется организация котельной в гараже.
Планировка размещения
Газовый котел лучше устанавливать в отдельной постройке, площадь которой составляет не меньше четырех квадратных метров. Есть требование и к потолкам – они должны быть более двух метров. Что касается ширины двери, ее размер должен составлять 80 сантиметров и выше. Помимо этого, комната должна вентилироваться и иметь окно, которое бы обеспечивало в помещении естественное освещение днем.

Котельную рекомендуется делать в относительном отдалении от жилого дома по нескольким причинам. Во-первых, чтобы шум от работы не мешал домочадцам. Во-вторых, котельная относится к пожароопасным объектам.
Подготовительные работы
Прежде всего, стены в гараже нужно отделать с помощью жаропрочного материала. При необходимости монтажа дымохода трубу выводят выше уровня крыши гаража, приблизительно на один метр. Кроме того, стоит учитывать, какое число изгибов присутствует на трубе. Так, чем меньше эта цифра, тем лучше, так как в ином случае вещества, которые выделяются в момент горения, станут оседать на секциях. Как правило, чтобы обустроить дымоход, берется труба с диаметром от 130 миллиметров.
Место крыши, где происходит соединение с дымоходом, нужно защитить с помощью огнеупорного материала. Берут что-то наподобие оцинкованной стали.

Обустройство вентиляции
Чтобы обеспечить безопасную эксплуатацию котельной в гараже на собственном участке, потребуется позаботиться о наличии добротной вентиляционной системы, которая бы справлялась с удалением из помещения вредных газов.
Расчет мощности вентилятора проводится по следующей формуле:
- М – мощность вентилятора;
- S – площадь постройки;
- H – высота постройки.
Данная формула включает в себя тот момент, что обновление воздуха в комнате осуществляется, в среднем, за 12 часов, причем минимальный запас мощности оборудования оценивают в 30 %.

Монтаж отопительного котла в гараже
В гараж чаще приобретают котлы настенного или напольного типа. Устанавливается оборудование на подставку из кирпича (бетона).
Котел закрепляют по уровню горизонтали и вертикали. Стены и прочие предметы в комнате должны находиться на удалении 30-50 сантиметров от устройства.
Подключение прибора к газу и воде
После того, как монтажные работы закончатся, котел подключают к газо- и водопроводу. Воду подводят к оборудованию, стоящему на полу сверху или сбоку. В варианте с настенным котлом коммуникации подводят к поперечной стороне.

Также остальные составляющие устройства подлежат установке. В той ситуации, если для помещения нет необходимости в приобретении электрического насоса, трубы кладут с наклоном в пять миллиметров (на один метр длины). Иначе возникнут трудности с циркуляцией в отоплении.
Запуск системы и тестирование
После окончания манипуляций по подключению устройства к системе водопровода котел запускают с целью проведения проверки на герметичность соединений. В том случае, если пробный запуск завершился положительно, котел подключают к газопроводу.
Газовое отопительное оборудование относится к категории приборов повышенной опасности, поэтому его монтаж четко регламентируется и контролируется соответствующими нормами и органами. Чтобы установить газовый котел в частном доме, необходимо соблюсти требования к помещению, месту расположения котла в нем, требования к вентиляции и дымоходу.
Сам монтаж котла можно осуществить самостоятельно, однако произвести прием и ввод в эксплуатацию (подключения к газовой магистрали и пуско-наладку) имеет право лишь местная газовая служба. Перед этим необходимо получить разрешение, составить проект, заключить договор на обслуживание котлоагрегата.
Читайте в статье





































