Подробные инструкции на видео: подключаем счетчики самостоятельно
Вы уже решили, что пора своими руками выполнить подключение электросчетчика? Тогда вам стоит не ограничиваться прочтением алгоритма и полезных советов. Лучшее решение – посмотреть подробную инструкцию на видео. В первом ролике рассказывается, как подключить однофазный электросчетчик правильно, в полном соответствии с правилами и техникой безопасности.
Если вы хотите заняться самостоятельной установкой трехфазного счетчика, вам очень пригодится следующий ролик. На этом виде дается подробная инструкция по установке, подсоединению всех элементов, представлена схема подключения.

Будьте внимательны, действуйте предельно осторожно и аккуратно, обязательно принимайте во внимание все особенности электропроводки. Тогда у вас получится установить своими руками электросчетчик нужного типа
Важное условие установки
Счетчики меняют по различным причинам. Главное, обеспечить своевременную замену и установки нового прибора. Он выполняет не только функции учета – с его помощью обеспечивается безопасность энергопотребления.
Вот по каким поводам надо приступать к замене счетчика.
- Срок поверки уже закончился (он составляет 16 лет).
- Старое устройство испорчено.
- Класс точности ниже допустимого.
- Мощность потребления увеличилась, а счетчик на нее уже не рассчитан.
- Энергопотребление приходится разделять между разными пользователями. Такое возможно в гараже на несколько машиномест.
- Возникла необходимость использования двух тарифной схемы электроснабжения.
- Надо перенести прибор учета в другое место.
Иногда принимается решение об учете израсходованной энергии на разных установках, оборудовании в мастерской гаража.

Расположение клемм
Элементарное решение для установки счетчика – прямое подключение. Когда мощность тока небольшая, вполне допустимо собирать электрическую схему без трансформатора тока. Но помните, что при использовании мощного оборудования вам все-таки нужно использовать трансформатор для устранения риска короткого замыкания.
Сейчас нужно остановиться на важном моменте. Обязательно запомните: независимо от выбранной из широчайшего спектра модели электросчетчика, вам необходимо располагать клеммы на панелях единообразно. Если вы начнете готовиться к подключению проводов своими руками, то следует предварительно изучить схему, которая имеется на крышке клеммной разводки, с обратной стороны
Таким образом обеспечивается гарантия производителя: все провода должны быть точно подсоединены
Если вы начнете готовиться к подключению проводов своими руками, то следует предварительно изучить схему, которая имеется на крышке клеммной разводки, с обратной стороны. Таким образом обеспечивается гарантия производителя: все провода должны быть точно подсоединены.
Техника безопасности перед началом работ
Ключевые моменты, которые необходимо знать:
- проводка укладывается в штробы или гофру. Для гаража это очень актуально, потому что риск повреждения проводки в таких помещениях высок;
- при монтаже проводки в железном гараже гофры обязательны. Коммуникация монтируется на панели, которые сделаны из диэлектрических материалов;
- нужно учитывать влияние сырости и различных агрессивных жидкостей;
- непременно развод контура освещения и силовых розеток на раздельные автоматы защиты.
После счетчика ставится общий автомат:
- оставляя гараж можно обесточить его одним движением руки. Допускается раздельная линия освещения, которая будет непрерывно под нагрузкой;
- энергообеспечение ямы выполняется с определенной защитой, желательно использование источника низкого напряжения с гальванической развязкой.
На что обратить внимание выбирая счётчик
Перед тем, как выбрать электросчетчик в гараж, немаловажно узнать, какими они бывают и в чём различие. Существует множество видов электроустройств, однако не каждое подойдёт для гаражного помещения
Выбирая подходящий прибор следует обратить внимание на несколько моментов:

Кроме того стоит определиться с нужной мощностью, в зависимости от используемых приборов в гаражном помещении, а также обратить внимание на дополнительные функции. Некоторые устройства обладают рядом функциональных возможностей, например подсвечиваются, работают максимально бесшумно либо подключаются к компьютеру
Перестановка электрического счетчика
Затем я приложил в желаемом месте на стену гаража и нанес отметки карандашом. Красота и вертикальность играет здесь не слишком большую роль, поэтому я не заморачивался с уровнем. Поскольку мне помогал отец (или я помогал ему – это как посмотреть J ), то вешали «на глаз». С первого раза карандашные отметки потерялись, поэтому пока я держал ящик, отец взял гвоздь и молоток и накернил стену. Ну а потом карандашом получившиеся ямки превратил в кресты, чтобы было хорошо видно. Хорошо, что у меня осталось от ремонтов дома провод 2х2,5 мм2 провод в двойной изоляции из меди. Вот он примерно будет держать нагрузку около 4 кВт, что мне вполне достаточно. Провода было около 5 метров, так что этого было достаточно для ввода в гараж.
https://youtube.com/watch?v=oYxPBQu2QKU
Установка счётчика в короб
Первым делом необходимо выполнить монтаж короба. Бокс крепится к стене у входа в помещение гаража. Для этого используются дюбеля, вставляемые в стену.
Высота расположения бокса от уровня пола – от 0,8 до 1,7 м, чтобы обеспечить удобство снятия показаний.

После установки короба, крепится сам счётчик. Прибор учёта устанавливается, в зависимости от конструктивных особенностей – с помощью ДИН-рейки или тремя винтами. Последний способ характерен для устаревших моделей. ДИН-рейка применяется в аппаратах нового типа.
Далее устанавливаются дополнительные устройства – входные автоматы, контролирующие блоки и пр. Дополнительное оборудование может крепиться отдельно или на одной ДИН-рейке с электросчётчиком.
Как подключить счётчик
На следующем этапе подключается счётчик. Для этого необходимо предварительно отключить подачу тока, чтобы подключение осуществлялось с соблюдением мер безопасности. Рассмотрим возможные схемы подключения, в зависимости от разновидности счётчика.

Однофазный
Ниже приведена типичная схема подключения однофазного прибора учёта:

На приведённой схеме фазный провод, подключаемый через автоматический выключатель, обозначен красным цветом, а нулевой – синим.
Трёхфазный
Трёхфазный прибор может предусматривать непосредственное и трансформаторное подключение.
При непосредственном подключении применяется следующая схема:

Здесь также не представляет труда разобраться в расположении контактов по каждой из фаз и нулевому проводу.
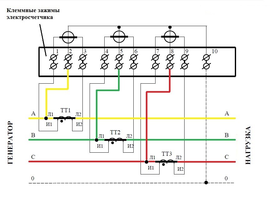
Одна из возможных схем трансформаторного подключения:

Прибор должен подключаться по схеме, изображённой на крышке клеммной коробки или в паспорте аппарата. В противном случае, её можно отыскать в интернете по модели счётчика.
Алгоритм подключения
Условия установки счетчика в гараж для всех приборов одинаковы. Они закреплены в документе ПУЭ 7:
Этими правилами руководствуется собственник гаража, решивший смонтировать счетчик в гараже своими руками.

Подключаем однофазный счетчик
Имея необходимый уровень знаний и соответствующий инструмент, можно выполнить установку электросчетчика в гараже самостоятельно. При этом монтаж выполняют аккуратно, постоянно проверяя собранную схему. Любая неточность приведет к выходу из строя оборудования или поражению электрическим током. Важным аспектом является соблюдение техники безопасности.
Монтаж производится по следующей методике:
Можно приобрести собранный щиток с установленными автоматами, понижающим трансформатором и счетчиком. Это сэкономит время, и исключит ошибки в монтаже. Но дороже обойдется владельцу.
Подключаем трехфазный счетчик
Для обеспечения электроэнергией гаражного бокса применяются счетчики прямого включения. Они проще в монтаже и не такие дорогие, как устройства, подключенные через трансформаторы тока.
Монтаж трехфазного прибора учета мало чем отличается от подключения счетчика на одну фазу.Отличие состоит в схеме подключения и монтаже в отдельном металлическом шкафе автоматов, включенных до счетчика. Часто в него монтируют и счетчик. Шкаф обязательно опечатывают, что предотвращает воровство электроэнергии.
Как подключить счётчик
На следующем этапе подключается счётчик. Для этого необходимо предварительно отключить подачу тока, чтобы подключение осуществлялось с соблюдением мер безопасности. Рассмотрим возможные схемы подключения, в зависимости от разновидности счётчика.

Однофазный
Ниже приведена типичная схема подключения однофазного прибора учёта:

На приведённой схеме фазный провод, подключаемый через автоматический выключатель, обозначен красным цветом, а нулевой – синим.
Трёхфазный
Трёхфазный прибор может предусматривать непосредственное и трансформаторное подключение.
При непосредственном подключении применяется следующая схема:

Здесь также не представляет труда разобраться в расположении контактов по каждой из фаз и нулевому проводу.
Одна из возможных схем трансформаторного подключения:

Прибор должен подключаться по схеме, изображённой на крышке клеммной коробки или в паспорте аппарата. В противном случае, её можно отыскать в интернете по модели счётчика.
Mitsubishi Galant ✴ Galatea › Бортжурнал › Друг в беде не бросит, или электросчетчик в гараже
Ладно, считаем. 1345 рублей. Ок, все верно, и тут… Да, все правильно — СНОВА ЛИШНИЕ КИЛОВАТТЫ, но уже там чуть ли не на 500 рублей. Тут мое терпение лопнуло. Я реально начал орать. Мужик присел, начал выступать. Я еще громче — мол, задрала ваша хрень, я с вами нормально, навстречу всегда иду, уже пару раз докидывал чтоб вам полегче было считать и раскидываться — что это за фигня? Все больше и больше?
Рекомендуем ознакомиться: Оформление Социальной Карты Студента 2021
Чтоб больше не оставаться в дураках, решил не откладывать покупку счетчика. И тут приехал друг-сокурсник. Я ему обрисовал тему, поплакался, как говорится — он и говорит- поставлю я тебе счетчик, ты только купи все что нужно! А я в этом ни уха, ни рыла… В общем, сегодня скатались и купили и счетчик, и короб, и автоматы… Прочее уже было.
Освещение в гараже
Кроме подключения к электрокабелю, владельцу нужно подумать и о том, как обустроить освещение.
Какие светильники выбрать для гаража?
При выборе светильников обратите внимание на 3 момента:
Световой поток должен распределяться равномерно, что позволит избежать проблем при парковке автомобиля и при ремонте повреждённого транспорта.
Схему размещения светильников предусмотрите заранее.
Обратите внимание на экономные лампочки.
Самые популярные сегодня лампы:
- энергосберегающие;
- светодиодные;
- галогенные;
- люминесцентные.
Форма лампочек может быть разной, в зависимости от желания пользователей.
Монтаж освещения
При создании схемы освещения учитывайте такие детали:
- В гараже рекомендуется скрытая прокладка. Если это невозможно, то можно спрятать провода в пластиковые коробы.
- Для потолочных светильников нужны двухжильные кабели с сечением около 2 м².
- Систему светильников сделайте с несколькими выключателями. К примеру, один на рабочем столе, другой – в зоне отдыха.
А вот в зоне ворот лучше сделать освещение поярче, чтобы комфортнее и проще было заезжать в гараж.
Сколько нужно светильников?
В гараж солнечный свет почти не проникает, поскольку здесь, как правило, не монтируются окна.
Основная причина отсутствия окон – желание обезопасить автотранспорт от посторонних глаз
Поэтому так важно здесь создать хорошее искусственное освещение
Одного светильника на потолке будет недостаточно. Добиться равномерного освещения поможет разделение помещения на зоны. В каждой из них устанавливаются 1-2 светильника.
Для маленького гаража подойдёт следующая схема освещения:
- Установка 2 светильников у ворот.
- Одна лампа устанавливается над столом с верстаком.
- Ещё один (можно несколько) светильник — над полками с инструментами и запчастями.
Рекомендуется монтировать светильники не на потолке, а на стенах, чтобы части полки не блокировали освещение.
Чаще всего владельцы предпочитают устанавливать в гараже длинные лампы, которые закрываются прозрачной крышкой.
Выбираем счетчик для гаража
От правильно подобранного прибора учета и другого оборудования зависит безопасная эксплуатация электрооборудования в боксе. Выбор счетчика в гараж зависит от следующих условий:
- Какое электрооборудование предполагается использовать;
- На какое напряжение оно рассчитано – однофазное или трехфазное. Имеется ли в обществе возможность подведения трехфазного напряжения;
- Рассчитывается мощность установленного оборудования.
Собственник должен определиться с видом прибора. Предпочтение отдается недорогим однотарифным устройствам. Владельцы гаражей редко сидят там в вечернее и ночное время. Поэтому нет необходимости приобретать дорогие многотарифные счетчики.

Тип
Промышленностью выпускается несколько типов электросчетчиков для учета электроэнергии. Они подразделяются не только по видам крепления, условиям эксплуатации,но и конструктивно.
До недавнего времени выпускались индукционные приборы. Они простые и недорогие. Могут работать при низких температурах. Но при этом имеют высокую погрешность измерения.
Электронные устройства позволяют контролировать потребляемое электричество с небольшими погрешностями.Но не все производители выпускают приборы, работающие при низких температурах.
Трехфазные счетчики применяются при наличии трехфазного оборудования и возможности его подключения к гаражу. Прибор выбирают с учетом потребляемого тока и одновременной работы оборудования. От этого зависит надежность и долговечность прибора учета.
Конструкция
Индукционнный
Индукционный счетчик представляет собой две катушки. Одна токовая, а ко второй подводится напряжение. Между ними имеется зазор. В зазоре расположен алюминиевый диск, закрепленный в подшипниках скольжения. На оси диска смонтирована червячная пара, соединенная с механическим счетчиком.
При подключении нагрузки возникают вихревые токи, которые заставляют вращаться алюминиевый диск. Вращение передается на механический счетчик, который подсчитывает количество потребленного электричества.
Электросчетчик отличается простотой конструкции, надежностью и долговечностью. К недостаткам можно отнести большую погрешность измерения – до 2%.

Электронный
Современные электронные приборы используют преобразование аналоговых сигналов в цифровые. Для этого применяются специальные датчики импульсов. Они с помощью трансформаторов подключаются к электросети.
Цифровой сигнал поступает на микроконтроллер, который производит подсчет потребленного электричества. Данные отображаются на цифровом дисплее. Такие приборы имеют высокий класс точности 0,5%. Позволяют накапливать и передавать данные по специальным каналам связи.
Трехфазные электросчетчики имеют аналогичное устройство. Наибольшее распространение получили электронные приборы. Они надежны, имеют небольшие размеры, интегрируются в автоматизированные системы учета, некоторые модели могут поддерживать однофазный учет.

От каких факторов зависит выбор счетчика
Выбор электросчетчика следует начать с типа устройства. Изучить инструкцию и подобрать необходимую модель.
После чего выбирают подходящий счетчик в гараж по параметрам:
Рассчитывают максимальный ток потребления. Обычно достаточно 10-50 А. Если предполагается установка металлорежущего станка и другого энергоемкого оборудования, то электросчетчик должен выдерживать нагрузку в 100 А. Но прежде чем монтировать такое оборудование, рекомендуется уточнить параметры подводящей сети. Эту информацию можно получить в электросетях, обслуживающих ГСК;
Установка металлорежущего оборудования предполагает подведение трехфазного питания. Поэтому в правлении кооператива уточняют возможность подведения необходимой линии;
Определяются с характеристиками прибора, подбирают подходящий тип. От дополнительных опций зависит стоимость устройства. На надежность и долговечность цена не влияет. Не стоит в гараж приобретать многотарифные приборы, которые имеют дополнительные опции
Они при эксплуатации гаража, скорее всего, не пригодятся;
При замене вышедшего из строя счетчика на новый обращают внимание на требования к монтажу. Не каждый счетчик можно смонтировать на ДИН рейку;
Для того чтобы определить, какой счетчик электроэнергии лучше поставить, учитывают класс точности прибора. Он не должен превышать 2%
В противном случае его не примут в эксплуатацию контролирующие органы.
Он не должен превышать 2%. В противном случае его не примут в эксплуатацию контролирующие органы.
Подключение электросчетчика в гараже и гаражном кооперативе
Замена электросчетчика в гаражном кооперативе должна производиться по общепринятым правилам, с соблюдением норм и требований, предъявляемых к качеству установки. Часто подключение гаража к электричеству делается собственными силами или силами штатного электрика, которого не так просто найти. Специалисты ООО «10 киловольт» выполнят монтажные работы и подключат ваш гараж от столба или щитка – быстро, качественно и по конкурентной цене.
Работа будет выполнены на высоком профессиональном уровне – наши специалисты имеют действующий сертификат от ООО «НПК «Инкотекс» — крупнейшего российского производителя приборов учета.
Прайс-лист на установку (замену) и перепрограммирование электросчетчиков
Замена (монтаж и демонтаж) электросчётчика однофазного (однотарифного, многотарифного)
Замена (монтаж и демонтаж) электросчётчика трехфазного (прямого включения или косвенного)
Установка, замена трансформаторов тока в цепях учета и защиты (до 1000 В)
Программирование тарифного расписания или переход на зимнее/летнее время
Меркурий 200.02 (однофазный, многотарифный)
Меркурий 230 ART-01CN (прямого включения)
Все приборы учета электроэнергии можно разбить на две категории – электросчетчики расчетные, показания которых служат основанием для финансовых взаиморасчетов между потребителем и поставщиком электроэнергии, и технологические электросчетчики, установленные потребителем для собственных нужд, например для учета энергопотребления цеха предприятия или улицы гаражного кооператива.
К технологическим электросчетчикам, как к приборам внутреннего учета, не предъявляется жестких требований, в то время как расчетные электросчетчики должны удовлетворять требованиям поставщика электроэнергии, нормам ПУЭ. иметь требуемый класс точности и монтироваться с учетом обеспечения их доступности, сохранности и условий эксплуатации.
В перечень услуг, оказываемых предприятиям и населению нашей компанией, входит перенос или подключение электричества к гаражу от столба .
Короба для прибора учёта
Учитывая характер эксплуатации электросчётчика, важно обеспечить его надёжную защиту. Это обеспечивается использованием специального короба
Такие боксы маркируются следующим образом, в зависимости от разновидности:
- ЩУ – наиболее простая модель,


Кроме самого счётчика, внутрь бокса могут помещаться защитный автомат, заземляющие и нулевые шины.
Короб может предусматривать следующую конструкцию:
- напольную;
- встраиваемую;
- накладную (навесную);
- скрытую или открытую;
- цельную или разборную.
Выбор должен определяться типом прибора и разработанным проектом установки. Для этого владельцу необходимо воспользоваться помощью соответствующих специалистов.
Правила Установки Электросчетчика В Гараже 2021
Замена электросчетчика в гаражном кооперативе должна производиться по общепринятым правилам, с соблюдением норм и требований, предъявляемых к качеству установки. Часто подключение гаража к электричеству делается собственными силами или силами штатного электрика, которого не так просто найти. Специалисты ООО «10 киловольт» выполнят монтажные работы и подключат ваш гараж от столба или щитка – быстро, качественно и по конкурентной цене.
Таким образом, подключение электросчетчика в гараже, контроль за потребляемой энергией и предпринимаемые меры к членам кооператива – в случае неуплаты электроэнергии – возлагаются на руководство гаражного кооператива, а все электросчетчики, установленные в конкретных боксах являются приборами технического учета. Со всеми вытекающими отсюда последствиями – более лояльными требованиями к установке, температурным условиям эксплуатации и т.п.
Как установить электросчетчик в гараже
Пришло время узнать точно, как установить электросчетчики в гараже своими руками правильно. Начнем с однофазного прибора. Для начала взгляните на схему. Здесь указано, каким образом подключить напряжение сети непосредственно к клеммам счетчика. Затем уже идет раздача тока потребителям, где он обеспечивает работу оборудования, осветительных приборов.
В первую очередь надо сделать разметку места, произвести монтаж щитка. Оптимальная высота – 1,5 – 1,7 м. К стене щиток надо надежно прикрепить дюбелями. Положение должно быть строго горизонтальным, что определяют с помощью уровня.
Счетчик монтируется в щитке. Рядом устанавливаются автоматы, шины с предохранителями, а также УЗО. Модули фиксируют специальными деталями. Желательно монтировать автомат ввода в особом боксе. Туда проводят кабель, СИП. Затем система пломбируется службой электроснабжения
Обратите внимание! Только соответствующие официальные структуры могут производить пломбировка. Туда и надо обращаться
В противном случае пломба признается недействительной.
Соединения монтируются изолированным медным проводом с диаметром минимум в 2,4 мм. От алюминиевого кабеля лучше отказаться.
Концы зачищаются.
СИП от внешней сети подключается на автомат ввода. Правда, СИП проводят по воздуху. Если вы желаете скрыть кабель под землей, вам понадобится провод ВВГнг.
Фазу подключают к левому верхнему контакту. Ноль выводится на правый контакт.
Для модульного оборудования нужен провод ПВ-1.
Специальные гребенки вам нужны для монтажа перемычек на УЗО и автоматы.
Обратите внимание: клемма в современных моделях электросчетчиков имеет 2 винта. Их необходимо хорошо затягивать, поскольку ненадежные соединения начнут подгорать из-за нагрузок.
Делайте с запасом кабели вывода и ввода. Это позволит без проблем и дополнительных соединений делать монтаж повторно. При этом резко загибать провода нельзя, чтобы не повредит изоляцию и сами жилы.
Рекомендуем прочесть: Пособия На Третьего Ребенка В 2020 Году
Электрощит
В обязательно порядке в гараже нужно смонтировать заземляющий контур, в 2019 году есть целый ряд компаний, которые реализуют комплекты модульного заземления и предлагают услуги по расчету для конкретно вашего типа грунта и других условий. К тому же согласно пункта 7.1.13, электроснабжение зданий и сооружений должно быть организовано по системе заземления TN-C-S или TN-S. Это требование распространяется на здания, построенные или реконструированные после 1997 года.
На практике это TN-C-S, его смысл заключается в повторном заземлении нуля с воздушной линии на вводе в здание. Это называется “разделение нуля”, его выполняют до прибора учета (электросчетчика). После точки разделения нуля рабочий ноль (N) и защитный проводник (PE) уже не объединяют ни в какой точке электросети.
Заземление нужно для корректной и безопасной работы УЗО и дифавтоматов, которые срабатывают при утечке тока на корпус электроприборов. Если заземления не будет, то ток “утечет” в землю через тело человека, при этом защитный аппарат может не отработать достаточно быстро, чтобы спасти вас от поражения электрическим током.
Поэтому в гараже желательно все линии подключить через УЗО, как минимум линию розеток, если есть станки или компрессор — их также подключать через УЗО. Если у вас установлены металлические светильники на высоте доступной для случайного касания частями тела или металлическим инструментом — в этом случае обязательно установить УЗО и на освещение.
Соответственно на каждую из линий (групп потребителей) обязательно устанавливать автоматические выключатели. Разделение проводки на группы и отдельные автоматы нужно для того, чтобы при замыкании или перегрузке в одной из цепей остальные продолжили работу, а также, чтобы обеспечить надежное срабатывание каждого защитного аппарата исходя из самых слабых мест.
Если перефразировать всё простыми словами, то:
- Большинство розеток рассчитаны на ток в 16А.
- Выключатели света на 10А, патроны на 4А.
Поэтому опытные электрики для розеток прокладывают кабель сечением 2.5 мм², но несмотря на то что он при открытой прокладке выдерживает ток порядка 30 ампер, защищают его автоматом на 16А. Для освещения используют кабель на 1.5 мм² и защищают его автоматом на 6-10А.
То есть автомат должен защитить самое слабое звено в электрической цепи, чтобы оно не сгорело при токе КЗ, а автомат успел его отключить.
Если вам не хватает автомата на 16А для всех розеток, а вводной автомат позволяет подключить больше приборов одновременно, например, его номинал 25 ил 32 ампера, то просто установите еще один автомат на 16А и подключите к нему еще одну группу розеток — тогда вы сможете пользоваться несколькими розетками нагрузив их на полную мощность. То же самое касается и освещения.
Все про закон про вынос счетчика электроэнергии на улицу в 2020 году
- до вводного модуля должно быть не больше 25 м;
- расположение на столбе или внешней стене дома;
- опора должна располагаться на территории вашего участка;
- от земли нужно выдержать расстояние не более 1,75 м.
В этом случае вы можете отказаться от необходимости выносить пробор учета, а отстоять свое право можно в судебном порядке. Обращаться за юридической защитой стоит в том случае, если Энергосбыт вашего региона грозит отключить вас от сети за невыполнение ПУЭ. Это полностью незаконно, так как вы не являетесь нарушителем.
Рекомендуем прочесть: Какая пенсия у инвалидов 3 группы в украине в 2020 году





































