Преимущества от замены люминесцентных лампочек на светодиоды
Переход на идентичные светодиодные источники позволит достичь экономии электроэнергии в 2-3 раза. Причем это актуально для любой лампочки независимо от ее форм-фактора. Не забывайте, что современные технологии постоянно совершенствуются, так и в случае с LED человечество еще не достигло максимальных высот развития. В будущем такие изделия будут еще более эффективными.
Чтобы прочувствовать существенную выгоду при переходе с люминесцентных ламп на светодиоды, подсчитаем разницу мощностей для квартиры. Допустим, используется 10 ламп, а средняя продолжительность работы каждой составляет 3 часа в сутки. Перемножим эти значения с 30 днями и получим 90 часов в месяц. Пусть каждая лампа потребляет 50 Вт/ч, значит ежемесячный расход составляет 45 кВт. Если стоимость 1 кВт равна 10 руб., то плата за электроэнергию при использовании одной такой лампы составит 450 руб.
При переходе на светодиоды и желании сохранить освещенность помещений на прежнем уровне, достаточно взять LED-источники на 20 Вт. Таким образом, в месяц на освещение будет уходить 18 кВт, а плата за электроэнергию составит 180 руб. Это в 2,5 раза меньше, но на деле данный показатель может быть значительно выше.
Более мощный ИБП с отдельным трансформатором
Они позволяют определить напряжение и необходимое число витков. Трансформатор дорабатывается, блок снова испытывается, и после этого его можно применить как компактный источник питания, который намного меньше аналога на основе обычного трансформатора 220 В со стальным сердечником.
Чтобы увеличить мощность источника питания, надо применить отдельный трансформатор, сделанный аналогично из дросселя. Его можно извлечь из лампочки большей мощности, сгоревшей полностью вместе с полупроводниковыми изделиями балласта. За основу берется та же схема, которая отличается присоединением дополнительного трансформатора и некоторых других деталей, изображенных красными линиями.
Выпрямитель, показанный на изображении, содержит меньше диодов по сравнению с выпрямительным мостом. Но для его работы потребуется больше витков вторичной обмотки. Если они не вмещаются в трансформатор, надо применить выпрямительный мост. Более мощный трансформатор делается, например, для галогенок. Кто использовал обычный трансформатор для системы освещения с галогенками, знает, что они питаются достаточно большим по величине током. Поэтому трансформатор получается громоздким.
Если транзисторы разместить на радиаторах, мощность одного блока питания можно заметно увеличить. А по весу и габаритам даже несколько таких ИБП для работы с галогенными светильниками получатся меньше и легче одного трансформатора со стальным сердечником равной им мощности. Другим вариантом использования работоспособных балластов экономок может быть их реконструкция для светодиодной лампы. Переделка энергосберегающей лампы в светодиодную конструкцию очень проста. Лампа отсоединяется, а вместо нее подключается диодный мост.
На выходе моста подключается определенное количество светодиодов. Их можно подключить между собой последовательно
Важно, чтобы ток светодиода равнялся току в КЛЛ. можно назвать ценным полезным ископаемым в эпоху светодиодного освещения. Они могут найти применение даже после завершения своего срока службы
И теперь читатель знает детали этого применения
Они могут найти применение даже после завершения своего срока службы. И теперь читатель знает детали этого применения.
Китайские шуруповёрты отличаются низкой ценой и плохими аккумуляторами, приходящими в негодность после первого года эксплуатации. Покупка нового аккумулятора не имеет смысла, поэтому встаёт вопрос о питании от сети. Данный блок питания состоит из доступных деталей и полностью помещается в корпусе аккумулятора.
В основе лежит плата от энергосберегающей лампы, импульсного трансформатора и выходного дросселя от компьютерного блока питания. У меня были две одинаковые платы от ламп 95 Вт, однако у обоих оказались сгоревшими полевые транзисторы, поэтому пришлось их менять. Схема лампы представлена на рисунке:
Детали, отмеченные красным цветом необходимо выпаять. С выходного дросселя от компьютерного блока питания L3 (смотри схему ниже) убираем все обмотки кроме той, которая намотана самым толстым проводом. Впаиваем новые детали согласно схеме:
Входную цепочку из предохранителя и термистора можно не ставить. Конденсатор С1 ставим максимально большей ёмкости. Если ваша энергосберегающая лампа сделана на биполярных транзисторах (чаще всего 13003, 13005), то их необходимо заменить на более мощные (13007, 13009). Так же возможно придётся заменить диодный мост D1-D4 и индуктивность L1. Чтобы избежать данных переделок необходимо брать плату от лампы как можно большей мощности.
Выходные диоды шотки D12, D13 (10А 100В) взяты с запасом, так как в ходе испытаний вышли из строя диоды от компьютерного блока питания mospec s20c40c. Автомобильная лампа EL используется в качестве подсветки, индикатора включения и нагрузки.
Полевые транзисторы и диоды шотки снабжены радиаторами.
Работа шуруповёрта представлена на видео:
https://www.youtube.com/embed//Hf-LGVylRHU
Как сделать блок питания из энергосберегающей лампы
Может показаться, что это дело так называемых радиолюбителей, опытных мастеров работы со схемами, электроприборами.
Но на деле оказывается, что заниматься «оживлением» старой техники может практически любой человек, сталкивающийся в быту с электрическими устройствами. Достаточно работать по плану и иметь схему устройства перед глазами. Мы подготовили наглядную электросхему и поэтапный план работы над блоком из ЭСЛ.
Разбираем лампу
Будьте осторожны, когда разбираете ЭСЛ. Повредив целостность колбы, можно выпустить вредные пары ртути, которые быстро распространяются вокруг. Рекомендуем аккуратно, не спеша поддевать маленькой отверткой в месте шва.
Когда вам открылась схема, соединенная с колбой четырьмя выводами питания, отрежьте их и внимательно рассмотрите состояние элементов. Внешне можно понять, что они вышли из строя, по подгоревшим местам, вздутиям; могут отпаяться концы соединений. После внешнего осмотра необходимо прозвонить электрическую цепь. По опыту радиолюбителей в ЭСЛ часто портятся конденсаторы и резисторы.
Популярные статьи Японский мак
Запасные элементы берутся из схем других энергосберегающих ламп, отложенных вами для будущего блока питания. После того, как из нескольких схем соберете одну, можно двигаться дальше.
Вам нужно решить, блок питания какой мощности вы хотели бы собрать. Если мощность блока равна мощности энергосберегающей лампочки, то больших изменений не потребуется; если же захотите увеличить мощность блока питания, то нужно добавить вторичную обмотку, выложенную медным проводником.
Подготовительные работы
Итак, мы уже удалили контакты, идущие до колбы. Красным на схеме изображен удаленный нами узел ЭСЛ. На оставшиеся концы в схеме садим перемычку. Для повышения выдаваемой мощности нужно добавить к дросселю (на схеме L5) дополнительную (вторичную) обмотку. Появится резерв мощности блока питания за счет нее.
Помимо этого, добавляем новые детали в схему:
- конденсаторы (на схеме C9, С10)
- мост диодный (VD14-VD17)
Нужное количество витков для вторичной обмотки определяется в несколько этапов:
- Укладывается временная обмотка около десяти витков и соединяется с нагрузочным сопротивлением, имеющим характеристики в пределах 30-ти ватт и более, и собственно самим сопротивлением от 5 до 6 Ом;
- После подключения питания измеряется напряжение на нагрузочном сопротивлении;
- Полученные цифры напряжения делятся на число витков – так узнается, какое напряжение приходит на один виток;
- Расчет нужного количества витков для питания постоянной обмотки и подбор диаметра проводника для вторичной обмотки.
Диаметр вторичной обмотки советуем выбрать 0,5 мм.
Количество нужных витков:
X = Uвых (достигаемое напряжение БП) /Uвит (напряжение одного витка)
Кардинальные преобразования
Однако надёжней сделать импульсный блок питания с нуля, поискав трансформатор с нужными характеристиками в старой электронике. Заводские трансформаторы будут гораздо долговечней самоделки. И не нужно к тому же высчитывать количество витков по формуле, достаточно присоединить паяльником концы обмотки трансформатора к схеме.
Если вы хотите сильно увеличить мощность блока питания, в несколько раз, то нужно выпаять старый дроссель и присоединить новый (на схеме ниже обозначен как TV2). Подсоединяем к блоку два диода, составляющих выходной выпрямитель (на схеме VD14, VD15), заменяем диоды на входном выпрямителе с большей мощностью (на схеме RO) и ставим конденсатор с большей емкостью (на схеме CO). Подбирать конденсатор необходимо в пропорциях 1 Ватт выходной мощности = 1 микрофарад. На схеме изображено сто микрофарад на сто ватт.
Опробовать блок питания можно на лампочке аналогичной мощности. Главное следить за тем, чтобы температура трансформатора нашего блока не превышала 60ºС, а транзисторов 80ºС. Измеряется температура ртутными либо спиртовыми термометрами. Также есть так называемые заводские термопары и термосопротивления. Опытный радиолюбитель всегда имеет такие приспособления под рукой.
Советуем посмотреть видео-инструкцию:
Рассчитываем ёмкость необходимого напряжения
Для экономии используют конденсаторы с маленьким показателем ёмкости. Именно от них будет зависеть показатель пульсации входящего напряжения. Для снижения пульсации, необходимо увеличивать объём конденсаторов тоже делается для увеличения показателя пульсации только в обратном порядке.
Для снижения размеров и улучшения компактности, возможно, применять конденсаторы на электролитах. К примеру, можно использовать такие конденсаторы, которые вмонтированы в фототехнику. Они обладают ёмкостью 100µF х 350V.
Блок питания на двадцать ватт
Чтобы обеспечить бп показателем двадцать ватт, достаточно использовать стандартную схему от энергосберегающих светильников и вовсе не наматывая дополнительной намотки на трансформаторы. В случае, когда дроссель обладает свободным пространством и может дополнительно уместить витки, можно их добавить.
Таким образом, следует добавить два-три десятка витков обмотки, чтобы была возможность подзаряжать мелкие устройства или использовать ибп как усилитель для техники.
Схема блока питания на 20 ватт
Если вам требуется более эффективное увеличение показателя мощности, можно использовать самый простой провод из меди, покрытый лаком. Он специально предназначен для обмотки. Убедитесь что изоляция на стандартной обмотке дросселя достаточно качественная, так как эта часть будет находиться под значением входящего тока. Также следует оградить её от вторичных витков с помощью бумажной изоляцией.
Действующая модель БП мощность – 20 Ватт.
Для изоляции используем специальный картон толщиной 0.05 миллиметра или 0.1 миллиметра. В первом случае необходимо два слова, во втором достаточно одного. Сечение обмоточного провода используем из максимального больших, количество витков будет подбирать методом проб. Обычно витков необходимо достаточно мало.
Уменьшение поперечного диаметра используемого провода конечно увеличит численность витков, но на мощность это повлияет только в минус.
Стоваттный блок питания
Чтобы иметь возможность поднять мощность бп до сотни ватт, необходимо дополнительно докрутить импульсный трансформатор и расширить ёмкость фильтровочного конденсатора до 100 фарад.
Схема 100 ватт БП
Чтобы облегчить нагрузку и уменьшить температуру транзисторов, к ним следует добавить радиаторы для охлаждения. При такой конструкции, КПД получится в районе девяноста процентов.
Следует подключить транзистор 13003
К электронному балласту бп следует подключить транзистор 13003, который способен закрепляться с помощью фасонной пружины. Они выгодны тем, что с ними нет необходимости устанавливать прокладку из-за отсутствия металлических площадок. Конечно, их теплоотдача значительно хуже.
Лучше всего проводить закрепления с помощью винтов М2.5, с заранее установленной изоляцией. Также возможно использовать термопасту, которая не передаёт напряжение сети.
Подключение к сети 220 вольт
Подключение происходит с помощью лампы накаливания. Она будет служить защитным механизмом и подключается перед блоком питания.
В этом случае, лампа служит балластом, который имеет нелинейный показатель и отлично предохраняет ибп от неисправной работы сети. Значение мощности лампы необходимо подбирать таким же образом, как и мощность самого импульсного блока питания.
Так как, возможно, что блок питания будет пропускать сильное напряжение, позаботьтесь о том, чтобы все его соединения и контакты были качественно заизолированы. Тоже касается и всех транзисторов, их так же следует изолировать от внешней среды, ведь они могут пропускать ток через свой корпус.
Очень часто причиной поломки электроприбора становится неисправность аккумулятора. Вследствие этого нужен ремонт или же покупка нового оборудования. Но можно избежать больших затрат, сделав блок питания из энергосберегающей лампы своими руками. Все необходимые детали можно взять из обычной люминесцентной лампы, стоимость которой невелика.
Простейшие фонари
Так как фонарики бывают разные, то имеет смысл начать с самого простого – с батарейкой и лампой накаливания, а также рассмотреть его возможные неисправности. Схема подобного прибора элементарна.
Схема простейшего фонарика
По сути, в нем нет ничего, кроме батарейки, кнопки включения и лампочки. А потому и проблем с ним особых не бывает. Вот несколько возможных мелких неприятностей, которые могут повлечь за собой отказ такого фонаря:
- Окисление любого из контактов. Это могут быть контакты выключателя, лампочки или батареи. Нужно просто почистить эти элементы схемы, и приборчик снова заработает.
- Сгорание лампы накаливания – тут все просто, замена светового элемента решит эту проблему.
- Полный разряд батареек – замена элементов питания на новые (либо зарядка, если они аккумуляторные).
- Отсутствие контакта или перелом провода. Если фонарик уже не новый, в таком случае есть смысл поменять все провода. Сделать это совершенно не сложно.
Ремонт энергосберегающей лампы с чего начать

Самыми распространенными причинами поломки энергосберегающих ламп являются выход из строя электронного балласта и перегорание одной из нитей накаливания. Перед началом работ имеющиеся в наличии лампы нужно разобрать, и определить, чем именно вызвана неисправность лампы. Это делают следующим образом.
Первый шаг — отсоединяем колбу от цоколя. Эту работу необходимо делать очень аккуратно, стараясь не повредить цоколь. Части лампы соединены между собой с помощью защелок, так же как, например, мобильный телефон или пульт ДУ. Лучше для работы использовать отвертку с тонким и широким жалом.
Второй шаг — отсоединяет провода, идущие к нитям накаливания. Из колбы выходят 2 пары проводников — это и есть спирали накаливания. Для того чтобы проверить работоспособность, их нужно отсоединить. Чаще всего они не припаяны, а просто намотаны в несколько витков на проволочные штыри, поэтому проблем с их отсоединением быть не должно.
Ремонт энергосберегающих ламп в первом и втором случаях будет иметь существенные отличия, поэтому нужно ознакомиться с особенностями его проведения.
Неисправность компонентов электронной схемы
Если причиной поломки лампы является электронный балласт, то необходимо выявить все перегоревшие элементы, а также определить, какие детали можно использовать дальше. Для поиска неисправностей электронную плату первым делом тщательно осматривают с обеих сторон и визуально оценивают ее состояние: есть ли какие-либо механические повреждения, сколы, трещины.
Также обращаем внимание на внешний вид ее компонентов, ищем перегоревшие полупроводники, вздувшиеся конденсаторы, следы перегорания обмотки трансформаторов. Если внешний осмотр платы не принес результатов, можно приступать к проверке работоспособности ее основных элементов
Совет: если резистор перегорел, то при снятии провода лучше перекусывать возле его корпуса, чтобы было к чему припаивать новый.
Высоковольтный конденсатор . Этот элемент создает импульс, который инициирует появление разряда в колбе. Его пробой — одна из распространенных причин поломок энергосберегающих ламп. Выявить его неисправность можно даже без прозвона: при такой поломке лампа не загорается, а в районе электродов наблюдается свечение, вызванное разогревом нитей накаливания.
Мнение эксперта
It-Technology, Cпециалист по электроэнергетике и электронике
Задавайте вопросы “Специалисту по модернизации систем энергогенерации”
Как переделать энергосберегающую лампу для работы с обычной люминесцентной Лампа действительно яркая, инструментальных замеров я не проводил, но визуально светит ярче чем 11 и 12 ваттки того же и аналогичных производителей. Спрашивайте, я на связи!
Основные отличия
Светодиодная лампа, так или иначе, обеспечивает помещению более яркое освещение. При напряжении 13 Вт она выдаёт 1000 лм, энергосберегающая — всего 800 лм.
Что касается теплоотдачи, она определяется по показателям поддержания оптимальной температуры в здании, сохранении в подходящем состоянии бытовой техники и мебели. И здесь тоже лидирует светодиодное изделие, обладая теплоотдачей 30,5 градусов при теплоотдаче энергосберегающего устройства 81,7 градусов.

Светодиодная лампа
Последнее изделие рассчитано на 8000 часов активной работы, тогда как для первого установлен рекордный срок эксплуатации — до 50000 часов. Причём светодиодная лампа с течением времени не теряет первоначального оттенка освещения и яркости, чего нельзя сказать об энергосберегающей.
Лавры первенства достаются светодиодным источникам и в процессе утилизации, их можно выбросить в мусорный контейнер. Энергосберегающий светильник, выброшенный на свалку, загрязняет окружающую среду (воздух и грунтовые воды) ядовитыми ртутными парами, в результате чего происходит сильнейшее отравление людей, животных и рыбы. Именно поэтому утилизация таких ламп должна проходить в соответствии с определёнными правилами.

Энергосберегающая лампа
Несмотря на плюсы и минусы, светодиодные и энергосберегающие устройства являются взаимозаменяемыми — изготовители побеспокоились о соответствующем размере любой из ламп, и патронов для них.
Общим для двух конкурирующих аналогов является довольно качественный цветовой поток, обеспечивающий высокий уровень комфорта для сетчатки человеческого глаза.
Как устроена светодиодная лампа на 220 В?
Это современный вариант LED-лампы, который производится по усовершенствованной технологии. Здесь светодиод цельный, имеется несколько кристаллов, поэтому не предполагается необходимость пайки множества контактов. Как правило, присоединяют только два контакта.
Таблица 1. Строение стандартной LED-лампы
| Элемент | Описание |
|---|---|
| Рассеиватель | Элемент в виде «юбочки», который способствует равномерному распределению светового потока, исходящего от светодиода. Чаще всего этот компонент изготавливают из бесцветного пластика или матового поликарбоната. |
| Чипы светодиодов | Это главные элементы современных лампочек. Часто их устанавливают в большом количестве (боле 10 штук). Тем не менее, точное число будет зависеть от мощности светового источника, габаритов и особенности радиатора для поглощения тепла. |
| Пластина из диэлектрика | Изготавливается на основе анодированных сплавов алюминия. Ведь такой материал лучшим образом выполняет функцию отвода тепла к системе охлаждения. Все это позволяет создать нормальную температуру для бесперебойного функционирования чипов. |
| Радиатор (охлаждающая система) | Способствует отведению тепла от пластины из диэлектрика, где находятся светодиоды. Для изготовления подобных элементов тоже используют сплавы алюминия. Только здесь еще заливают его в особые формы, чтобы получить пластины. Это способствует увеличению площади для отвода тепла. |
| Конденсатор | Сокращает импульс, который возникает при подаче напряжения от драйвера к кристаллам. |
| Драйвер | Устройство, которое способствует нормализации входного напряжения электросети. Без такой маленькой детали не получится сделать современную матрицу светодиода. Эти элементы могут быть выносного или встроенного типа. Тем не менее, практически все лампы имеют встроенные драйвера, которые находятся внутри устройства. |
| Основание из ПВХ | Это основание прижато к цоколю лампочки, благодаря чему защищает от поражения током электриков, которые выполняют замену изделия. |
| Цоколь | Требуется, для того чтобы подключить лампу к патрону. Чаще всего его изготавливают из прочного металла — латуни с дополнительным покрытием. Это позволяет увеличить срок использования изделия и защитить от ржавчины. |
Драйвер светодиодной лампочки
Еще одним отличием светодиодных ламп от других изделий является местонахождение зоны сильного нагрева. У других источников света происходит распространение тепла по всей внешней части, в то время как кристаллы светодиодов способствуют только нагреву внутренней платы. Именно поэтому возникает необходимость установки радиатора для быстрого отведения тепла.
Если возникает потребность сделать ремонт осветительного прибора с вышедшим из строя светодиодом, то его полностью заменяют. По внешнему виду эти лампы могут быть как круглыми, так и в виде цилиндра. К питанию они подключаются через цоколь (штырьковый или резьбовой).
Ремонт энергосберегающей лампы
Что мы видим в этих схемах? Если в светильнике одна лампа – то там по любому 2 транзистора. Вот они и сгорают, и тянут за собой резисторы.
Для ремонта лампы надо прежде всего определить, какие сгорели резисторы. Как правило, сейчас для обозначения номинала резистора применяется цветовая маркировка, советую свою статью, без этого в ремонте никак.
Например, последняя схема, номер 17. Там выгорают резисторы 1 Ом и 20 Ом, итого 4 резистора.
С транзисторами чуть сложнее. От мощности транзистора зависит, какова мощность всей лампы (светильника). Транзисторы применяются высоковольтные, тип MJE или аналоги. Вот примерная таблица соответствия модели транзистора и мощности лампы:
- MJE13001 (мощность до 7 Вт)
- MJE13002 (мощность до 10 Вт)
- MJE13003 (мощность до 15 Вт)
- MJE13004 (мощность до 20 Вт)
- MJE13005 (мощность до 40 Вт)
- MJE13006 (мощность до 75 Вт)
- MJE13007 (мощность до 100 Вт)
- MJE13008 (мощность до 120 Вт)
- MJE13009 (мощность до 150 Вт)
Мощности ориентировочные, лучше конечно брать с запасом.
Даташиты на транзисторы и что ещё нарыл по теме как обычно выкладываю ниже. Если кому надо, могу опубликовать методику проверки транзисторов. И ещё – у разных производителей одни и те же транзисторы могут иметь разную цоколевку, надо проверять перед пайкой.

Транзисторы для ремонта ламп
Теперь по ценам на детали. 4 низкоомных резистора мощностью 0,25Вт будут стоить минимум 8 руб. Цены берём розничные. Популярный транзистор MJE13003 – 25 руб, опять розница. Итого – 33 рубля на детали для ремонта лампы мощностью до 15 Вт.
Но смысл будет, только если поставить это дело на поток, и если лампы на ремонт будут халявные. Например, на предприятии, где в одном цехе может использоваться например 100 ламп.
Как подключать ИБП к шуруповерту
Электроинструмент необходимо разобрать, отвинтив все шурупы. Обычно корпус шуруповерта состоит из двух половинок. Далее следует найти провода, которыми двигатель подключается к батарее. Соединить эти провода с выходом ИБП можно с помощью пайки или термоусадочной трубки, вариант со скрутками нежелателен.
Для ввода провода от блока питания в корпусе инструмента необходимо выполнить отверстие
Важно предусмотреть меры, предотвращающие вырывание провода в случае неосторожных движений или случайных рывков. Самый простой вариант – обжать провод внутри корпуса у самого отверстия клипсой из сложенного пополам коротенького отрезка мягкой проволоки (подойдет алюминий). Имея превосходящие диаметр отверстия размеры, клипса не даст проводу оторваться и выпасть из корпуса в случае рывка
Имея превосходящие диаметр отверстия размеры, клипса не даст проводу оторваться и выпасть из корпуса в случае рывка.
Как видно, энергосберегающая лампочка, даже отработавшая положенный ей срок, может принести немалую пользу своему владельцу. Собранный на базе ее комплектующих ИБП может с успехом применяться в качестве источника энергии для аккумуляторного электроинструмента или зарядного устройства.
БП своими руками
Создание ИБП из энергосберегающих ламп включает в себя подготовительный этап и процесс преобразования
Все действия важно выполнять с соблюдением техники безопасности при работе с электроприборами
Подготовка инструментов и материалов
Схема стандартной энергосберегающей лампы представлена на рисунке ниже. Красные элементы нужны для запуска лампы и при сборке блока питания не потребуются.

Схема энергосберегающей лампы
Схема напоминает импульсный блок питания. Различия касаются только встроенного дросселя. Его необходимо заменить на трансформатор одним из методов:
- намотка на существующий дроссель вторичной обмотки с соответствующими параметрами;
- полное удаление дросселя и установка на его место подходящего по эксплуатационным показателям трансформатора из другого электроприбора.
При разработке энергосберегающей лампы изготовители особенное внимание уделяют компактности прибора. Все элементы подбираются так, чтобы не занимать много места
По этой причине о запасе мощности речи не идет. Желательно создавать блок питания в пределах изначальной мощности осветительного прибора. Это гарантирует долговечность схемы и убережет от перегрева.
Схема переделки ЭПРА в ИБП
Переделка ЭПРА в блок питания содержит:
- Создание гальванической развязки для безопасности схемы.
- Понижение выходного напряжения.
- Выпрямление выходного напряжения.
Для создания БП с мощностью до 15 Вт потребуется обмоточный провод (около 10 см), набор диодов (4 штуки), два конденсатора и электронный балласт от лампы мощностью 40 Вт.

Схема ЭПРА, переделанного в импульсный блок питания
Дроссель выполняет функции развязывающего и понижающего трансформатора, комплект диодов выпрямляет переменное напряжение. Конденсаторы в схеме сглаживают импульсы и обеспечивают стабильные показатели подающегося на электроприбор питания.
Порядок работы при переделке:
- Из первоначальной схемы удаляются колба и конденсатор рядом с ней.
- Все выводы лампы соединяются между собой, замыкая конденсаторы и дроссель, ранее идущие на лампочку.
- Дроссель при этом становится основной нагрузкой схемы. Остается домотать на него вторичную обмотку проводом диаметром не более 0,8 мм. Достаточно нескольких витков.

Намотка вторичной обмотки на дроссель
Чтобы определить точное количество витков вторичной обмотки, используйте следующую методику:
- На дроссель наматывается 10 витков, после чего подключается диодный мост.
- Схема нагружается резистором 30 Вт с сопротивлением около 5 Ом.
- При помощи мультиметра замеряется напряжение на резисторе.
- Полученное напряжение делится на 10 (количество витков), тем самым получая напряжение с одного витка.
- Нужное напряжение делится на вычисленный показатель. Это искомое количество витков вторичной обмотки.
В схеме могут быть использованы любые диоды, рассчитанные на обратное напряжение выше 25 В и ток 1 А.

Недостатком подобной схемы является нестабильность выходного напряжения. Решить проблему можно установкой дополнительного стабилизатора на 12 вольт.
Чем заправить керосиновую лампу?
Современная жидкость для керосиновых ламп называется “Светал”. Она не имеет запаха, не коптит и пожаробезопасна.

Как не странно, но для многих в наше время найти чистый керосин для заправки ламп, не такая уж и простая задача. Поэтому кто-то советует покупать вместо этого, жидкость для розжига.
Только не забывайте, что на морозе подобные жидкости могут превратиться в кашу или шугу. Даже при покупке заводского керосина всегда читайте состав на этикетке.
Попадаются жидкости-растворители лишь с небольшой добавкой керосина. Такие нельзя использовать для осветительных приборов. Брать нужно нормальный осветительный керосин специальной марки – КО-25.

Терминология и принцип работы
Люминесцентные, компактные, энергосберегающие, с электронным балластом, с инвертором – всё одно и то же, суть одна. Более того, такие лампы имеют совершенно разные конструкции. Например, может быть цоколь G9, как у галогенной лампы, может обычный – Е14, Е27, Е40.
Какое освещение Вы предпочитаете
ВстроенноеЛюстра
Может лампа быть отдельно, и вставляться через патроны, а электронный балласт – отдельно. Это относится прежде всего к линейным, или трубчатым лампам. Пример такой конструкции – светильники типа “Армстронг” для офисных помещений.
Все эти лампы в последнее время модно стало называть “энергосберегающими”, но суть одна. А почему так называют – потому что при той же яркости они потребляют примерно в 5 раз меньше электроэнергии. По заявлениям продавцов, и с этим можно поспорить.
Электронный балласт ЭПРА. Ещё четыре лампы – и будет светильник типа “Армстронг”
В подробности вдаваться не будем. Но принцип работы один.
Имеется выпрямитель, который из 220В 50Гц выдаёт постоянное напряжение 300…315 Вольт. Далее на этом напряжении работает генератор высокой (по сравнению со входной) частоты (около 10…15 кГц). Генератор выдаёт напряжение, которое питает трубку, наполненную газом и покрытую специальным составом. Можно рассказать и глубже, но это есть и на других сайтах.
А пока важно лишь знать, что энергосберегающая лампа принципиально состоит из двух частей – электронного блока и стеклянной части (трубки, или колбы)

Как переделать энергосберегающую лампу для работы с обычной люминесцентной
Не спешите выбрасывать перегоревшие энергосберегающие лампы, возможно они ещё послужат вам после небольшой переделки. Если быть кратким, то нужно просто заменить стеклянную колбу у вышедшей из строя лампы, на любую другую, но аналогичную или приближенную по мощности. На этом фото самодельная переноска собранная из двух неисправных ламп разного типоразмера.

Если бы эти лампы продавались раздельно, то есть электронная часть (ЭПРА) была бы отдельно от колбы (люминесцентной лампы), то эту тему можно было бы и не создавать, просто покупаешь новую колбу и меняешь, как это обычно делается в светильниках с ЭМПРА. А так, получается что из за сгоревшей колбы, лампа летит в мусорное ведро, вместе с рабочей электронной частью.
После того как располовинили лампу, не спешите тянуть половинки в разные стороны, так как провода идущие к колбе очень короткие и не позволят вам разгуляться.
Отсоединяем колбу, размотав концы проводов с ножек платы или же сразу выпаиваем ножки вместе с проводами. Если делаете это в первый раз, то поставьте маркером метки на плате, чтобы знать какие выводы идут к нитям накала колбы и в сеть 220
У меня заволялось две сгоревших лампы, поэтому разобрал обе, чтобы меньше места занимали в инструменталке, ну и для наглядности.
Как то так выглядит электронная начинка этих ламп, она же ЭПРА
Мнение эксперта
It-Technology, Cпециалист по электроэнергетике и электронике
Задавайте вопросы “Специалисту по модернизации систем энергогенерации”
Возможен ли ремонт энергосберегающих ламп в домашних условиях
Ремонт энергосберегающей лампы своими руками — electricvdome Также обращаем внимание на внешний вид ее компонентов, ищем перегоревшие полупроводники, вздувшиеся конденсаторы, следы перегорания обмотки трансформаторов. Спрашивайте, я на связи!
Керосиновая лампа воняет — что делать?
Многие одним из главных недостатков таких ламп считают неприятный запах при ее работе. Но страшен здесь не запах, а угарный газ. Жидкие парафины (Светал), жидкости для розжига, технический и авиационный керосин, при сгорании дают большое выделение СО.

Поэтому в помещении при работе лампы всегда должна быть хорошая циркуляция воздуха (по инструкции 5м3/ч). Если же прибор у вас воняет, когда просто стоит без дела, то тут могут быть несколько причин:
нет уплотнителя в заливной крышке

канал фитиля больше самого фитиля

Испарение
идет именно оттуда. Покупайте фитиль пошире или делайте его сами.
плохая завальцовка нижнего бачка
Тут уже ничего не исправить. Придется фонарь держать на улице или в хоз.пристройке. Либо переходить с керосина на другое топливо.
Жидкости
наподобие лампадного или вазелинового масла, конечно не воняют, зато как многие
пишут в отзывах, от них фитиль сгорает очень быстро.
Налобный светодиодный фонарь
В последние годы подобный световой прибор получил достаточно широкое распространение. Действительно, ведь очень удобно, когда руки свободны, а луч света бьет туда, куда смотрит человек, в этом как раз главное преимущество налобного фонарика. Раньше таким могли похвастаться только шахтеры, да и то для его ношения нужна была каска, на которую фонарь, собственно, и крепился.
Сейчас же крепление подобного прибора удобно, носить его можно при любых обстоятельствах, да и на поясе не висит довольно объемный и тяжелый аккумулятор, который, к тому же, еще и обязательно нужно раз в сутки заряжать. Современный намного меньше и легче, притом имеет очень маленькое энергопотребление.
Так что же представляет собой подобный фонарь? А принцип его работы нисколько не отличается от светодиодного. Варианты исполнения такие же – аккумуляторный или со съемными элементами питания. Количество светодиодов варьируется от 3 до 24 в зависимости от характеристик батареи и преобразователя.
К тому же обычно такие фонари имеют 4 режима свечения, а не один. Это слабый, средний, сильный и сигнальный – когда светодиоды моргают через короткие промежутки времени.
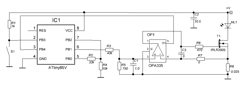
Схема налобного светодиодного фонаря
Режимами налобного светодиодного фонарика управляет микроконтроллер. Причем при его наличии возможен даже режим стробоскопа. К тому же светодиодам это совсем не вредит, в отличие от ламп накаливания, т. к. их срок службы не зависит от количества циклов включения-выключения по причине отсутствия нити накаливания.




































