Точечная сварка из микроволновки
Простейший точечный самодельный сварочный аппарат можно собрать с минимальным количеством материалов, используя старую рабочую микроволновку, с которой потребуется снять трансформатор с мощностью от 1 кВт. Одного такого элемента будет достаточно, чтобы варить точками металл толщиной до 1 мм. Для увеличения мощности можно использовать два трансформатора.
В микроволновке основную работу выполняет магнетрон, для которого требуется мощность около 4000 вольт. Трансформатор для этого работает не на понижения, а на повышение напряжения. На выходе такой элемент дает до 2000 В.
С такого элемента микроволновки нужно взять сердечник (магнитопровод) и первичную обмотку (намотан толстый провод с меньшим количеством витков). ВО (вторичная обмотка) при этом срезается или срубается с использованием стамески. С середины сердечника медную проволоку можно выбить или высверлить.
Важно не повредить при этих манипуляциях первичную обмотку (ПО) и сам сердечник!
После такой работы должен остаться магнитопровод с намотанной первичной обмоткой.
Когда все подготовлено, делают новую вторичную обмотку. Чтобы обеспечить большую силу тока, потребуется очень толстый кабель с сечением в 100 мм². Также может подойти многожильный провод.
Обычно такие кабели имеют толстую изоляцию и она может мешать намотке. Чтобы было удобно, ее можно снять, а кабель заизолировать тканевой изолентой.
Электроды изготавливают из толстого медного прута (желательно, чтобы он был не меньше диаметра провода вторичной обмотки). Если точечный сварочный аппарат будет небольшой мощности, то можно использовать жало с паяльников. Сами электроды затачивают в виде конуса.
Управление таким прибором осуществляется рычагом и выключателем. Нижний рычаг делают неподвижным, а верхний желательно сделать на пружине, для возможности сжимать и разжимать электроды. Выключатель ставят на первичную обмотку, куда подается и питание всего аппарата.
Для полноценного функционирования желательно поставить охлаждение для такого прибора. Можно использовать компьютерные вентиляторы. В противном случае потребуется постоянный контроль нагрева трансформатора и остальных элементов, а так же делать перерывы в работе для остывания.
Работу осуществляют следующим образом. Между электродами зажимают заготовку и включают ток. Поставив точку, питание отключают и перемещают деталь.
Самодельный кондуктор (шаблон) для профильных труб

Если вы часто работаете с металлом, а именно с квадратными профильными трубами, то вам, наверняка, часто приходиться сваривать между собой заготовки под 90 или 45 градусов.
Есть способ, сделать такой угол закругленным. В данном обзоре автор покажет, как сделать простое и удобное в использовании приспособление для таких видов работ.
Для изготовления самодельного кондуктора нам понадобится только квадратная профтруба подходящего размера.

Инструмент для работы и вовсе нужен минимальный: отрезной (болгарка) и разметочный (циркуль, рулетка, линейка, угольник), а также сварочный аппарат.
Техника безопасности при проведении сварочных работ
Производить сварочные работы следует с учетом техники безопасности, так как это достаточно опасный вид деятельности, причем как сама сварка, так и ряд подготовительных работ, к которым относится резка, фрезеровка, закрепление заготовок и так далее. Опасность представляют следующие моменты:
- удар электрическим током;
- поражение органов зрения ультрафиолетовым излучением, которое довольно интенсивно исходит от зажженной дуги;
- возможное попадание в глаза окалины, искр и других посторонних предметов;
- проникновение в легкие ядовитых паров;
- если имеются открытые участки тела, то они могут получить ожоги от расплавленного металла или от искр;
- при применении баллонной сварки следует защитить себя от возможного взрыва баллона.
Лучше всего защищать глаза от излучения при помощи специальной маски либо защитных очков. В продаже есть относительно дешевые маски с затемненным стеклом, через которое очень хорошо видно дугу, но при этом данное стекло будет хорошо поглощать в себя ультрафиолетовое излучение, не допуская тем самым поражения органов зрения.
Гораздо удобнее использовать маску типа «хамелеон», так как она будет становиться темной сразу после того, как будет зажжена дуга. Этого удается добиться за счет наличия в ней специальной автоматики и датчиков, которые моментально реагируют на возникновение сильного источника ультрафиолетового излучения
Многие мастера в бытовых условиях пользуются очками для сварщика, так как они прекрасно защищают глаза от излучения, но значительно меньше стесняют движения, а также позволяют сделать угол обзора значительно больше, что при проведении сварочных работ немаловажно. При правильном подходе к сварке удастся получить качественное соединение без какого бы то ни было вреда собственному здоровью
Сборка блока питания
Монтаж начинается с намотки трансформатора, его функция – это обеспечение стабильным напряжением следующих за ним деталей. Для его изготовления используют феррит Ш 7х7 (можно Ш 8х8), на который наматывают разные по количеству витков обмотки: сто, пятнадцать, пятнадцать и двадцать, соответственно 0,3; 1; 0,2 и 0,3 миллиметров.

Для снижения вредного влияния возможного перепада сетевого напряжения, кольца провода необходимо класть на всю ширину катушки.
Последовательность работы с остальными обмотками такая же. На выходе должно быть от 20 до 25 вольт. Его можно отрегулировать подбором деталей. Синусоидальный ток преобразуется в постоянный с помощью диодов, соединенный, как «косой мост», а для охлаждения необходимо подобрать радиаторы, возможно, со старого компьютера.

Один охладитель закрепляется к верхним частям деталей и изолируется слюдяной прокладкой. Второй – к нижней части моста и крепится с использованием термопасты.
Выводы диодного моста направляются туда же, куда будут выходить и контакты транзисторов, что работают как преобразователи. Длина проводов, которые соединяют мост и транзисторы – не больше 15 сантиметров. Блок питания и инверторный блок разделяются металлической пластиной, приваренной к основанию.
Структурная схема сварочного аппарата
Для производства сварочных работ используются устройства, работающие на переменном и постоянном токе.
Схема любого аппарата включает в себя трансформатор (возможно использование трансформатора из микроволновки), выпрямитель, дроссель, держак, электрод. Именно в такой последовательности происходит протекание электрического тока по замкнутой цепи.

Цепь замыкается, когда между электродом и металлическими заготовками, которые нужно соединить, возникает электрическая дуга.
Чтобы качество сварного соединения было высоким, необходимо обеспечить устойчивое горение этой дуги.
Аппараты постоянного тока применяют для сварки элементов из тонколистового металла. При этом способе сварки можно использовать любые электроды и электродную проволоку без керамической обмазки.
Держак электрода присоединяется к выпрямителю через дроссель. Это делается для того, чтобы сглаживать пульсации напряжения.

Дроссель представляет собой катушку медных проводов, которая намотана на любом сердечнике. Выпрямитель, в свою очередь, соединяется с вторичной обмоткой трансформатора.
Трансформатор включается в бытовую электросеть. Последовательность соединения проста и наглядна.
Преобразование напряжения переменного тока выполняется с помощью понижающего трансформатора.
Согласно закону Ома напряжение, которое индуцируется на вторичной обмотке трансформатора, уменьшается, а величина тока увеличивается с 4-х ампер до 40 и более.
И с помощью проводов присоединить к нему держак электрода. Но использовать держак в практических целях невозможно, поскольку схема не содержит других необходимых элементов.
И главное – в ней отсутствует регулятор величины тока. А так же выпрямитель и другие элементы.
Трансформатор считается основным элементом сварочного аппарата. Его можно купить или приспособить уже бывший в эксплуатации.

Многие мастера используют трансформатор от микроволновки, отработавшей свой срок. По своим габаритам и весу микроимпульсный элемент всегда занимает много места в конструкции.
Если рассмотреть сварочный агрегат в целом, то можно выделить три основных блока, которые она в себя включает:
- блок питания;
- блок выпрямителя;
- блок инвертора.
Самодельный инверторный аппарат можно скомпоновать таким образом, чтобы он имел минимальные габариты и вес.
Такие устройства, рассчитанные на применение в домашнем хозяйстве, сегодня продаются в магазинах.
Преимущества инверторного аппарата перед традиционными агрегатами очевидны. В первую очередь, следует отметить компактность аппарата, удобство в эксплуатации, надежность.
Самые общие расчеты подтверждают, что сделать такой аппарат своими руками проще и выгоднее.
Основные элементы, практически, всегда можно найти среди электротехнических машин и приборов, которые оказались в запасниках. Или на свалке.
Простейший регулятор тока можно сделать из куска нагревательной спирали, которая используется в бытовых электрических плитах. Дроссель – из отрезка медной проволоки.
Видео:
Радиолюбители придумали самый простой по схеме импульсный способ сварки. Он используется для крепления проводов к металлической плате.
Никаких сложных приспособлений – только дроссель и пара проводов. Регулятор силы тока тоже не нужен. Вместо него в цепь включается плавкая вставка.
В качестве второго — используется зажим типа «крокодил». Вилка с проводами включается в розетку бытовой сети.
Зажим с проводом резко прикладывается к плате в том месте, где его нужно приварить. Возникает сварочная дуга и в этот момент могут перегореть предохранители, которые находятся в электрическом щите.
Этого не происходит, потому что быстрее сгорает плавкая вставка. А провод остается надежно приваренным к плате.
Оборудование, инструменты, материалы
Прежде чем начинать изготавливать поделки из металла с помощью сварки, необходимо сделать предварительный эскиз изделия. Для этого понадобятся бумага и карандаш. Ну и конечно фантазия автора, которая является самым главным инструментом. Также можно выбрать один из эскизов, имеющихся в изобилии в интернете.
В качестве основного оборудования необходимо иметь сварочный аппарат и расходные материалы. Также для этого вида искусства понадобятся такие прозаичные вещи:
- Листовое железо необходимого размера.
- Болгарка, чтобы делать из листа железа необходимые выкройки.
- Дрель для сверления отверстий.
- Молоток для сбивания окалин.
- Зубило.
- Плоскогубцы.
- Ножницы по металлу.
- Стальные прутья различной длины.
- Шлифовальный круг для зачистки металла.
- Наждачная бумага.
- Рулетка.
Листовое железо должно быть тонким, чтобы его можно было с легкостью резать и гнуть. В качестве сварочного аппарата можно порекомендовать инвертор, работать с которым легко и приятно. Для декора могут понадобиться шайбы и болтики, а для соединения деталей гвоздики. Конкретный набор инструментов и деталей зависит от вида выполняемого изделия. Многое можно найти у себя в хозяйстве, недостающее нетрудно прикупить в магазине.
Для предварительной очистки поверхности металла необходимо средство, с помощью которого будет легко удалить ржавчину. Не следует забывать об экипировке сварщика. Требования безопасной работы являются одинаковыми, как для профессиональных работ, так и в том случае, когда предстоит изготовить небольшие поделки сваркой.
Покупать специальный костюм, называемый робой, для таких целей наверно будет излишним, но одежда умельца должна быть плотной, максимально закрывающей все участки тела. На голове должна быть шапочка, на руках брезентовые рукавицы, а на ногах – крепкая обувь на толстой подошве. Главный элемент грамотной экипировки – защитная маска. Наиболее удачно себя проявила маска под названием «Хамелеон».
Роза из металла
Поделки из железа сваркой можно рассмотреть на примере изготовления розы. Первым делом из листа железа следует нарезать необходимое количество лепестков будущего цветка. Для этого используются ножницы по металлу. Чтобы роза выглядела красивой и пышной понадобится порядка тридцати лепестков разной величины. Края каждого лепестка загибаются вверх с помощью плоскогубцев и обрабатываются точильным камнем, чтобы убрать все неровности и заусенцы.
Для придания цветку достоверного вида из металла надо вырезать кусочки, которые будут символизировать шипы розы. Для формирования стебля понадобится стальная проволока диаметром шесть миллиметров, которую следует предварительно слегка изогнуть, как это бывает у настоящего стебля.
Все детали следует соединить между собой с помощью сварочного аппарата, прикладывая поочередно каждый лепесток к стеблю. Затем производится их зачистка. После того, как роза будет сформирована, следует приварить к ней шипы. Все сварные швы следует зачистить. Металлический цветок будет готов. Закончить можно окрашиванием специальной краской, предназначенной для металлических изделий.
Двор и сад
При декорировании дома не стоит забывать и про то, что за его пределами. Начнем со входной зоны. Из бетонных блоков и пары деревянных реек можно сделать милый и удобный столик, где будут жить цветы, лейка, фонарик или что-нибудь еще.
Кстати говоря, из бетонных блоков можно делать различные скамейки, оформлять клумбы, строить мангал и даже делать кашпо для цветов. Тут все зависит от вашей фантазии.
Своими руками можно также сделать стильные пуфики и кресла. Нужны старые шины, жидкие гвозди и толстая веревка. Готовую конструкцию можно покрасить в любой цвет. Такие пуфики подходят и для дома и для улицы, потому что дождь им нипочем.
Ящики или паллеты из дерева могут послужить основой для садового шкафчика. Здесь можно хранить различные принадлежности для цветов, горшки, лейки и прочие инструменты. А если сверху оставить плоскую рабочую поверхность, то можно что-нибудь мастерить или пересаживать цветочки.
Что может быть необычного в горшке для цветка? Казалось бы – ничего. Однако и здесь можно всех удивить. Посадите суккуленты в птичью клетку. Когда они разрастутся, будет очень красиво. А вместо обычного подвесного горшка можно использовать старую люстру.
Обычный детский надувной бассейн можно использовать как диван. Просто положите внутрь одеяло или плед, а бортики прикройте подушками.
Так красиво использовать в саду свечи, но их постоянно задувает ветром. Чтобы такого не происходило, можно сделать подсвечники из пустых консервных банок или из обычных стеклянных. Можно все украсить камешками или лентами по желанию.
Это, конечно же, не все идеи для дома и сада, только малая часть того, что можно сделать своими руками. Нужно только не бояться экспериментировать и наполнять свое жилище милыми и красивыми вещами.
Струбцины
Струбцина является закрепляющим устройством. Необходимость сделать их самому может быть вызвана недостаточной прочностью тех моделей, что продаются в магазинах. Например, при сварке твуд или иных металлических вещей необходимы достаточно крепкие струбцины. И магазинные модели могут не выдержать требуемой нагрузки.
Для изготовления потребуется:
- Лист стали толщиной 10 миллиметров;
- Три гайки;
- Шайбы большого диаметра;
- Труба с наружной резьбой по размеру гаек.
Процесс изготовления:
- Вырезать из листа стали полоску со сторонами 50 см и 4 см;
- Вырезать полоску для статичного удерживания внизу длиной 25 см;
- Вырезать передвижную планку длиной 10 см;
- Для крепления передвижной части вырезать два прямоугольника по 5 см;
- Вырезать деталь для опоры на статичную часть струбцины (1);
- Приварить к основе струбцины вспомогательную часть. Они должны образовать между собой букву Г;
- Плашмя приварить на короткий край деталь (1);
- Сварить друг с другом три гайки;
- Сварить друг с другом шайбы;
- Приварить гайки ребром по отношению к передвижной части так, чтобы вкручиваемый стержень пролегал параллельно основанию самой струбцины;
- При необходимости к стержню можно приделать ручку, закрепив сверху гайкой;
- Сварить детали по внешнему краю;
- Вставить между частями струбцины;
- Выполнить сварку по внутреннему краю частей, присоединив планку;
- На край стержня приварить шайбы.
Для сборки можно использовать стержень из магазинной струбцины, если таковой имеется.
Угловая струбцина так же, как и обычная, закрепляет детали для их последующей сварки. Однако не всегда части изделия должны располагаться прямо. Иногда и под углом. Именно для таких моментов в арсенале сварщика должна быть угловая струбцина. Они продаются в магазинах, но имеют те же недостатки. Самостоятельно можно легко изготовить инструмент для сварки под прямым углом. Набор материалов тот же, что и для обычных струбцин, плюс гайки и шпилька.

Приспособления для крепежа
Некоторые приспособления для сварки предназначены не для расположения свариваемых элементов, а их надежной фиксации на момент проведения работ. Прижимы и зажимы для сварки получили широкое распространение, так как после образования сварочного шва соединяемые элементы должны находится в неподвижном состоянии. Наибольшее распространение получили:
- Стяжки используются для сближения двух одинаковых элементов. Особенности подобной конструкции зависят от многих моментов, к примеру, предназначения.
- Зажимы характеризуются удобством в применении. Изменить размер зева можно при помощи зажимного винта и штифта. При желании подобный механизм можно изготовить в домашней мастерской.
- Прижимы также получили широкое распространение. Они бывают пружинного, рычажного и клинового типа. Простейший прижим создается из обычной винтовой пары, которые изменяют положение параллельно расположенных пластин. В продаже встречаются гидравлические прижимы, которые применяются крайне редко. Это связано с их высокой стоимостью и малой практичностью в использовании. Если нужно обеспечить давление около 500 кг/см 2 и более они практически незаменимы. Более практичны в применении прижимы с магнитным прижимом, так как они просты и маневренны. Их конструктивные особенности позволяют быстро совместить кромки соединяемых деталей. Для оказания давления может применяться пневматика, представленная сжатым воздухом. За счет высокой упругости пневматика компенсирует деформацию свариваемых деталей.
- Распорки применяются для выравнивания кромок собираемых конструкций. Некоторые варианты исполнения распорок используются для решения проблем с дефектами.
- Струбцины считаются универсальным механизмом. Практически все мастера указывают на то, что без подобного инструмента практически не обойтись. В продаже встречаются варианты исполнения разной формы и размеров, за счет чего можно подобрать наиболее подходящий вариант исполнения под конкретные условия сварки. В последнее время наибольшей популярностью пользуется устройства, который позволяет быстро провести зажим заготовки.
Опытные мастера приобретают целый комплект различных крепежных элементов, но в большинстве случаев они изготавливаются на месте и подгоняются под определенные заготовки.
Техника безопасности
До того как заняться творческой деятельностью, нужно ознакомиться с советами по технике безопасности. Разумеется, если работать только молотком, то это будет излишним, но когда делаются изделия из листов металла, существует вероятность сильно пораниться.
Если говорить о сварочных работах, то в этих процедурах облачение должно стать более усиленным. К специальным перчаткам следует надеть ещё защищающую маску со щитком и ко всему защитный костюм.
При действиях по работе с изделием понадобится чаще проветривать комнату
Это особенно важно делать, когда наносятся лаки или краски
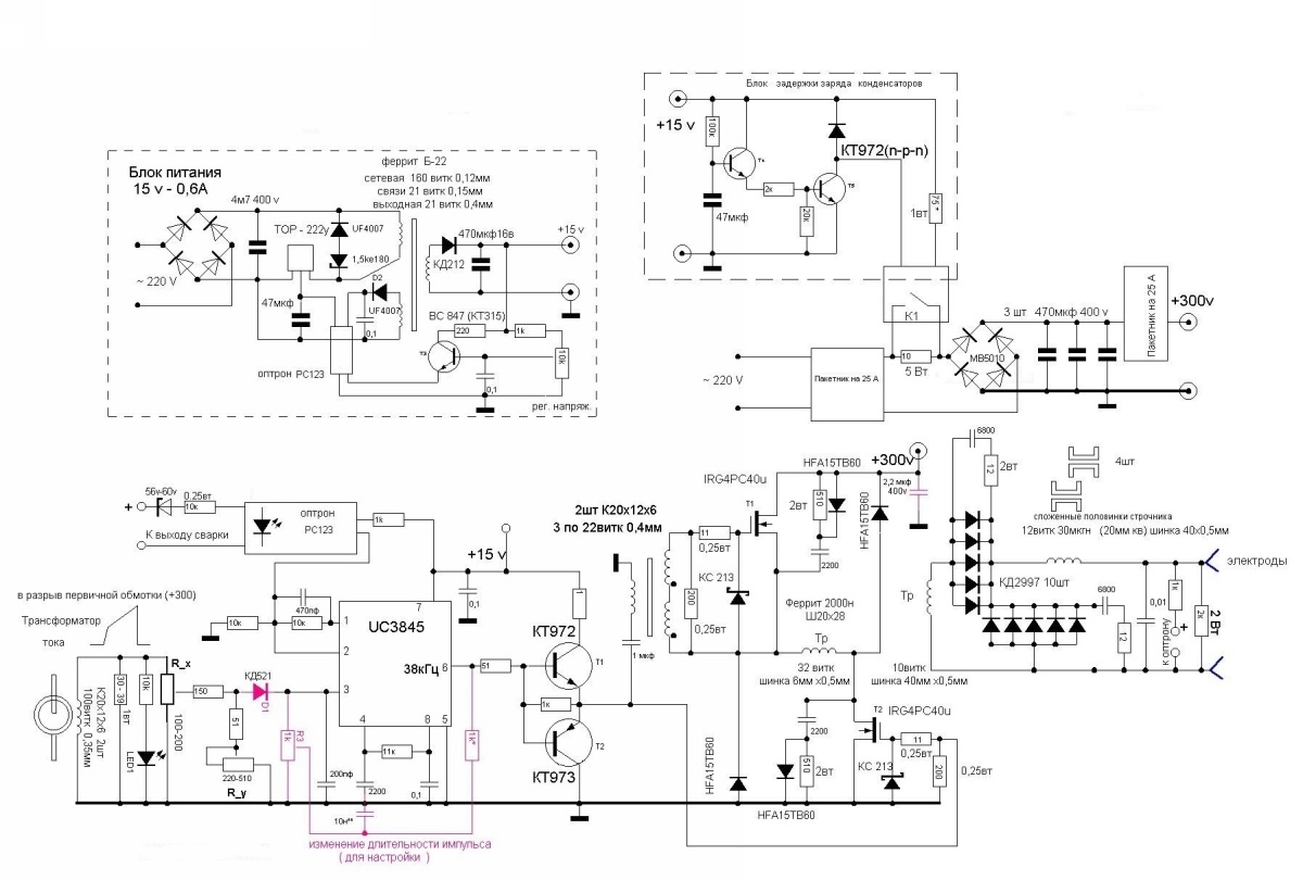
Инвертор (импульсный блок питания для сварки)
Самодельный инверторный сварочный аппарат нельзя изготовить просто «на коленке». Для этого потребуется современная элементная база и опыт работы с ремонтом и созданием электронных устройств. Однако, не так страшна схема, как ее малюют. Подобных устройств сделано великое множество, и все они работают не хуже фабричных аналогов. К тому же, чтобы создать импульсный сварочный аппарат своими руками, не обязательно приобретать десятки дорогостоящих радиодеталей и готовых узлов. Большинство из них, особенно высокочастотные элементы для блока питания, можно позаимствовать у старых телевизоров или БП от компьютера. Стоимость близкая к нулю.
Рассматриваемый инвертор имеет следующие характеристики:
- Ток нагрузки на электродах: до 100 А.
- Потребляемая мощность от сети 220 вольт — не более 3.5 кВт (ток порядка 15 А).
- Используемые электроды до 2.5 мм.
На иллюстрации изображена готовая схема, которая неоднократно опробована многими домашними мастерами.

Конструктивно инвертор состоит из трех элементов:
Блок питания для схемы преобразователя и управления. Выполнен на доступной элементной базе, с применением оптрона от старого блока питания компьютера. При самостоятельном изготовлении трансформатора стоимость практически нулевая: детали копеечные. Номиналы и названия радиоэлементов на иллюстрации.
Блок задержки заряда конденсаторов (для стартовой дуги). Выполнен на базе транзисторов КТ972 (абсолютно не дефицит). Разумеется, транзисторы устанавливаются на радиаторы. Для коммутации достаточно обыкновенного автомобильного реле с токовой нагрузкой на контактах до 40 А. Для ручного управления установлены обычные защитные автоматы (пакетники) на 25 А. Выходные 300 вольт — холостой ход. При нагрузке напряжение 50 вольт.
Трансформатор тока — самый ответственный узел
При сборке особое внимание следует обратить на точность катушек индуктивности. Некоторую подстройку можно выполнить с помощью переменного резистора (на схеме выделен красным цветом). Однако если параметры не буду согласованными, требуемой мощности дуги достичь не удастся.ШИМ реализуется на микросхеме US3845 (одна из немногих деталей, которую придется покупать)
Силовые транзисторы — все те же КТ972 (973). Некоторые элементы на схеме импортные, однако их легко можно заменить на доступные отечественные, поискав аналоги на сайте datasheet.Высокочастотный блок выполнен из частей строчного трансформатора от телевизора.
Однако если параметры не буду согласованными, требуемой мощности дуги достичь не удастся.ШИМ реализуется на микросхеме US3845 (одна из немногих деталей, которую придется покупать). Силовые транзисторы — все те же КТ972 (973). Некоторые элементы на схеме импортные, однако их легко можно заменить на доступные отечественные, поискав аналоги на сайте datasheet.Высокочастотный блок выполнен из частей строчного трансформатора от телевизора.
На выход сварочного инвертора подключаются рабочие провода длиной не более 2 метров. Сечение не менее 10 квадратов. При работе с электродами до 2.5 мм, падение тока минимальное, шов получается гладкий и ровный. Дуга непрерывная, не хуже заводского аналога.
При наличии активного охлаждения (вентиляторы от того-же компьютерного блока питания), конструкцию можно компактно упаковать в небольшой корпус. Учитывая высокочастотные преобразователи, лучше использовать металл.

Виды и характеристики инструмента
После того как все необходимые условия подготовительного этапа благополучно соблюдены, открывается возможность сделать модель сварочного устройства своими руками. Сегодня встречается множество принципиальных схем, по которым можно изготовить аппарат. Они действуют по одному из подходов:
- Постоянный или переменный ток.
- Импульсный или инверторный.
- Автоматический или полуавтоматический.
Стоит обратить внимание на аппарат, принадлежащий к трансформаторному типу
Важной характеристикой этого устройства является работа от переменного тока, позволяющая использовать его в бытовых условиях. Аппараты переменного тока способны обеспечивать номенклатурное качество швов сварных соединений
Агрегат такого типа легко найдёт своё применение в быту при обслуживании недвижимости, расположенной в частном секторе
Аппараты переменного тока способны обеспечивать номенклатурное качество швов сварных соединений. Агрегат такого типа легко найдёт своё применение в быту при обслуживании недвижимости, расположенной в частном секторе.
https://youtube.com/watch?v=RvjiNon6vNA
Для того чтобы собрать такое устройство, необходимо иметь:
- Около 20 метров кабеля или провода большого сечения.
- Металлическое основание высокой магнитной проницаемости, которое будет использовано в качестве сердечника трансформатора.
Оптимальная конфигурация сердечника имеет стержневую основу П-образной формы. В теории запросто может подойти сердечник любой другой конфигурации, к примеру — круглой формы, взятой из статора, пришедшего в негодность электродвигателя. Но на практике наматывать обмотку на подобное основание значительно сложнее.
Площадь сечения для сердечника, принадлежащего бытовому сварочному аппарату самодельного образца, равна 50 см 2. Этого будет достаточно для того, чтобы применять в установке стержни от 3 до 4 мм в диаметре. Использование большего сечения лишь приведёт к увеличению массы конструкции, а эффективность аппарата выше не станет.
Зеркала, отверстия в стенах и маленькие шурупы
Если над верхней полкой гардероба укрепить зеркало, то вам не придется залезать на возвышение, чтобы увидеть, что там хранится.
Когда приходится сверлить отверстия в стенах, где есть скрытая проводка, возникает риск попасть дрелью в коммуникации. Найти проводку в стене можно с помощью магнитофона. Для этого к нему подсоединяется электродинамический микрофон. Прибор следует включить на запись с максимальным усилением. Когда микрофон будет проводиться вдоль стены, в местах заложения проводки будет слышен низкий гул из динамиков магнитофона. Когда прибор будет удаляться от проводки, гул станет ослабевать. Сверление безопаснее всего осуществлять в том месте, где гул полностью исчезает.
Маленькие хитрости для домашнего мастера могут быть полезными и необычными. Например, для того чтобы забить гвоздь, его следует вставить между зубцами расчески. Так вы убережете пальцы. Специальный держатель для шурупов и гвоздей можно также изготовить из обычной деревянной прищепки.
Испытание
Проведя пробную сварку, могу с уверенностью сказать, что наш самодельный держатель является полноценной заменой промышленных аналогов. Он надежно фиксирует электрод, и в случаях залипания его достаточно легко отсоединить от свариваемой поверхности (в заводской рукоятке он часто выскакивает из зажима и остается приваренным к заготовке).
Недостатком можно считать лишь тот факт, что данная рукоятка выполнена из пластика, хоть и прочного. При продолжительной работе в любом случае происходит нагрев, и ручка может деформироваться. В остальном получилась отличная рукоятка, стоимость которой – три гайки и два болта.
Нитка для закручивания болта
У нас есть стальная заготовка, к которой требуется прикрутить болт. Правда, есть проблема – к его головке никак не подлезть: ни рожковым гаечным ключом, ни торцевым. Если просто пытаться закручивать болт, у вас ничего не получится – он просто будет постоянно проворачиваться, и о надежном соединении речи быть не может.
Наша стальная заготовка, к которой нужно прикрутить болт
Сегодня можно легко воспользоваться обычной стопорной шайбой, но раньше, в СССР, встречались они очень редко. Поэтому нам советуют зафиксировать болт обычной ниткой или тонкой проволокой, а затем затянуть гайку. Пробуем.
Увы, такой способ на практике оказался неэффективным. Какие бы нитки и проволоки ни использовались, все заканчивалось одинаково: гайка доходила до нитки и буквально срезала ее, а болт продолжал проворачиваться.
Пробуем удержать болт ниткой – увы, получается это не очень хорошо
Получение Вольтовой дуги

Для мелких сварочных работ подойдёт трансформатор на 200-300 Ватт или более с выходным напряжением 30-50 Вольт. Сварочный ток, при этом, будет ограничиваться мощностью трансформатора и может достигнуть 10-12 Ампер. Но, так как сам процесс горения дуги длится недолго, то это не может привести к перегреву трансформатора, даже при насыщенном магнитопроводе.
О том, как изменить выходное напряжение трансформатора, можно почитать здесь>>>

Можно так же воспользоваться лабораторным автотрансформатором — ЛАТР-ом на 9 Ампер и более. Но, делайте это, только если Вы осознаёте опасность отсутствия гальванической развязки с электросетью. Также, при использовании ЛАТР-а, желательно ограничить входной ток предохранителем (плавкой вставкой), чтобы не повредить графитовый ролик-токосъёмник ЛАТР-а, при случайном коротком замыкании в цепи электрода.

В качестве электродов можно использовать практически любые грифели от простых карандашей, хотя мягкие предпочтительнее. Наверняка у многих сохранились ненужные, в век всеобщей компьютеризации, простые карандаши.

Держатель для грифеля можно изготовить из любых подручных средств. Очень удобно использовать металлическую часть электротехнических клеммников (клемм).

Вот держатель, собранный на основе вышеупомянутого клеммника. Одно резьбовое отверстие латунной части клеммы используется для крепления грифеля, а другое для крепления к ручке.

Стеклотекстолитовые шайбы поз.2 в большом количестве были использованы для того, чтобы клеммник поз.1, при нагреве, не расплавил корпус одноразового шприца поз.3. Просто не нашёл другой, более термостойкой детали для ручки держателя электрода. Для того чтобы держатель электрода можно было подключить к любому стандартному кабелю (концу), я использовал стандартное же приборное гнездо поз.4.

Держатель электрода подключается к одному выводу вторичной обмотки понижающего трансформатора, а свариваемая деталь или детали к другому выводу вторичной же обмотки.

А это ещё один держатель электрода также собранный на основе электротехнической клеммы. Второй держатель пригодится, когда требуется сварить два металла с одинаковой температурой плавления. Также он может понадобиться, когда нужно раскалить какую-нибудь металлическую деталь, например, при закалке инструмента или изменении формы пружины.

Схема подключения двух графитовых электродов к вторичной обмотке понижающего трансформатора.

Чтобы яркий свет вольтовой дуги не стал причиной ожога роговицы глаз, нужно использовать защитный светофильтр. Этот же светофильтр защитит глаза от попадания искр. Я купил светофильтр в магазине «Всё для ремонта» всего за 0,5$. Вместо сварочного щитка использовал оправу бинокулярных очков, из которой удалил линзы. Фильтр закрепил с помощью канцелярского зажима, предварительно проложив кусочек хлопчатобумажной изоленты. Вероятно, такие очки найдутся в арсенале современного радиолюбителя, знакомого с SMD компонентами.
Не стоит использовать тёмные очки для наблюдения за Вольтовой дугой, тем более что плотность их светофильтров недостаточна. Намного безопаснее использовать предложенный щиток, который позволит защитить глаза простым наклоном головы.

Для сварки меди со сталью или нихромом желательно использовать флюс. Изготовить его можно путём добавления небольшого количества воды в буру (тетраборат натрия) или в борную кислоту. Полученной кашицей можно смазывать места сварки.
Минералы для изготовления флюса можно приобрести в хозяйственном магазине или аптеке. Я как-то давно купил коробку борной кислоты, как средство по борьбе с насекомыми под названием «Боракс».
Короткие дощечки
Остругивание на станке небольших дощечек – занятие опасное. Если станок снабжён прижимным приспособлением, надо работать с ним, проталкивая заготовку тонкой дощечкой. Если его нет, то для предохранения рук лучше пользоваться бруском с выступом (рис. 1).
Чистовое отпиливание торцов досок можно проводить как показано на рис. 2. Между направляющей линейкой 1 и пильным диском установите металлический лист толщиной 1-2 мм и закрепите направляющую, плотно прижав её к листу. Выньте лист, дощечку 2 с плашкой 3, у которой прямой угол строго выверен, ведите с небольшой скоростью, прижимая их к направляющей.





































